EasyManua.ls Logo

Toro Prior LC1P65FA - Auto Choke System View

Toro Prior LC1P65FA
46 pages
To Next Page IconTo Next Page
To Next Page IconTo Next Page
To Previous Page IconTo Previous Page
To Previous Page IconTo Previous Page
Loading...
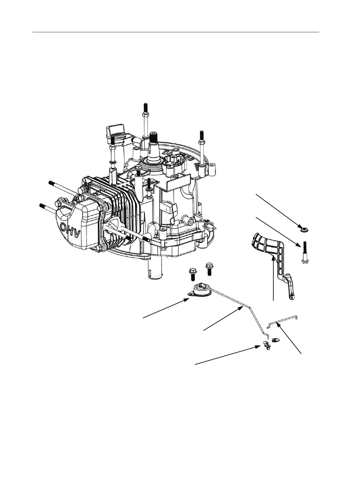
14
Auto Choke System View
Image for Reference Only
Thermal Spring Asm.
(Mounts onto Muffler)
Thermal Spring
Choke Linkage
Choke Rod Lock
Air Vane
Choke Linkage
Air Vane
Washer
Screw

Related product manuals