EasyManua.ls Logo

Toro TimeCutter MX 4275T - Schematics

Toro TimeCutter MX 4275T
240 pages
Print Icon
To Next Page IconTo Next Page
To Next Page IconTo Next Page
To Previous Page IconTo Previous Page
To Previous Page IconTo Previous Page
Loading...
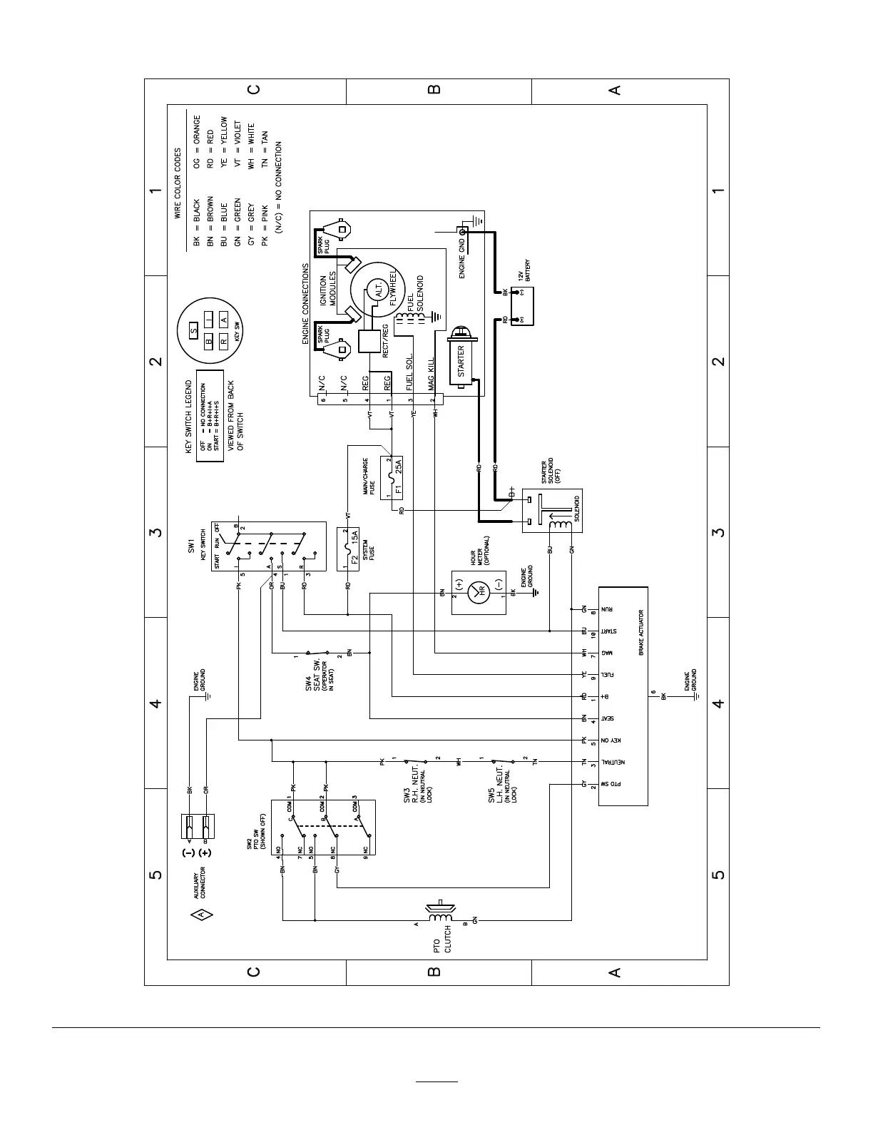
Schematics
g307974
ElectricalDiagram139-2356(Rev.A)
56

Table of Contents

Other manuals for Toro TimeCutter MX 4275T

Related product manuals