EasyManua.ls Logo

Toro TITAN MAX 76601 - Technical Information and Warnings; Electrical Schematics

Toro TITAN MAX 76601
64 pages
To Next Page IconTo Next Page
To Next Page IconTo Next Page
To Previous Page IconTo Previous Page
To Previous Page IconTo Previous Page
Loading...
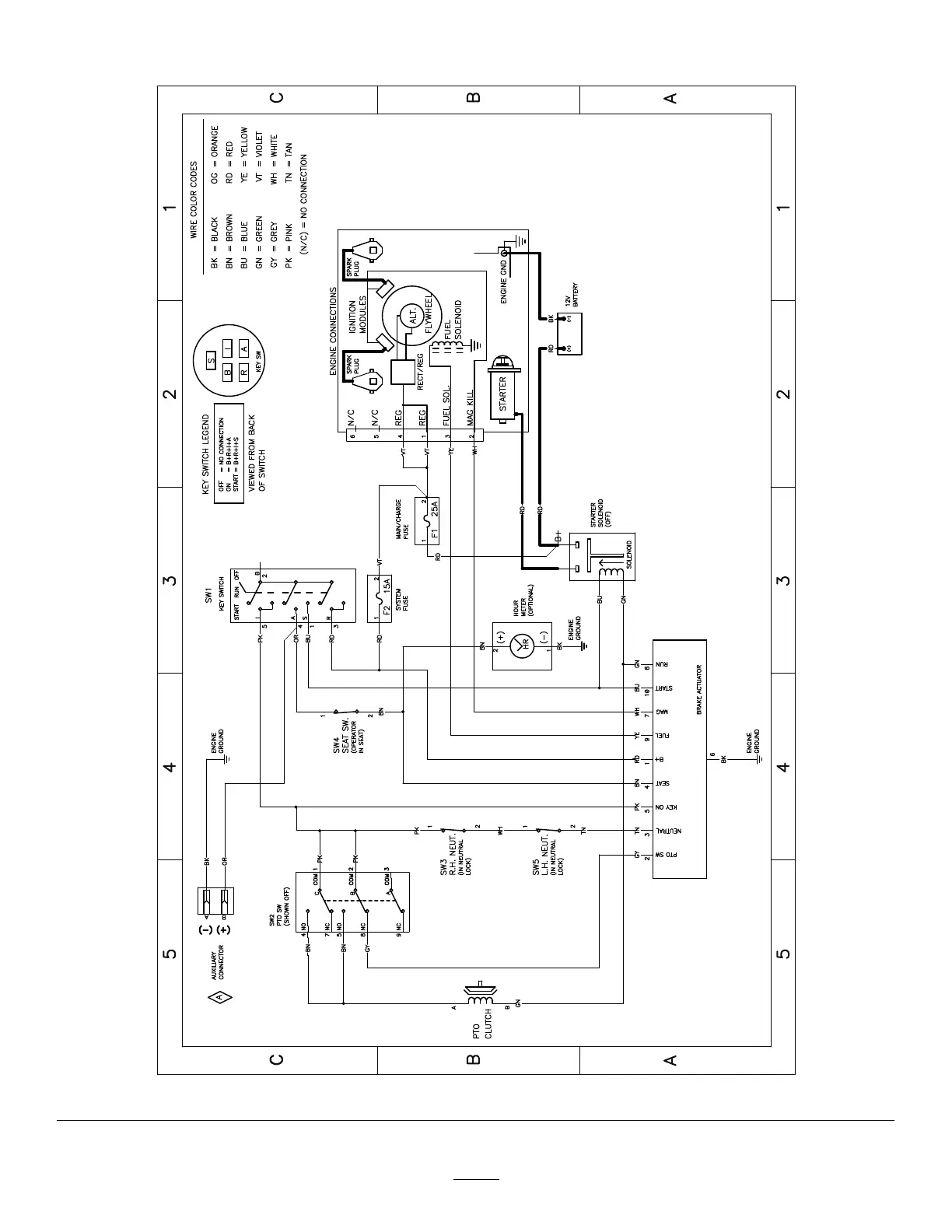
Schematics
g307974
ElectricalSchematic(Rev.A)
62

Table of Contents

Related product manuals