EasyManua.ls Logo

Toshiba 20AR21 - Page 23

Toshiba 20AR21
36 pages
Print Icon
To Next Page IconTo Next Page
To Next Page IconTo Next Page
To Previous Page IconTo Previous Page
To Previous Page IconTo Previous Page
Loading...
27
20AR21
20AR31
26
121110987654321
A
B
C
D
E
F
G
H
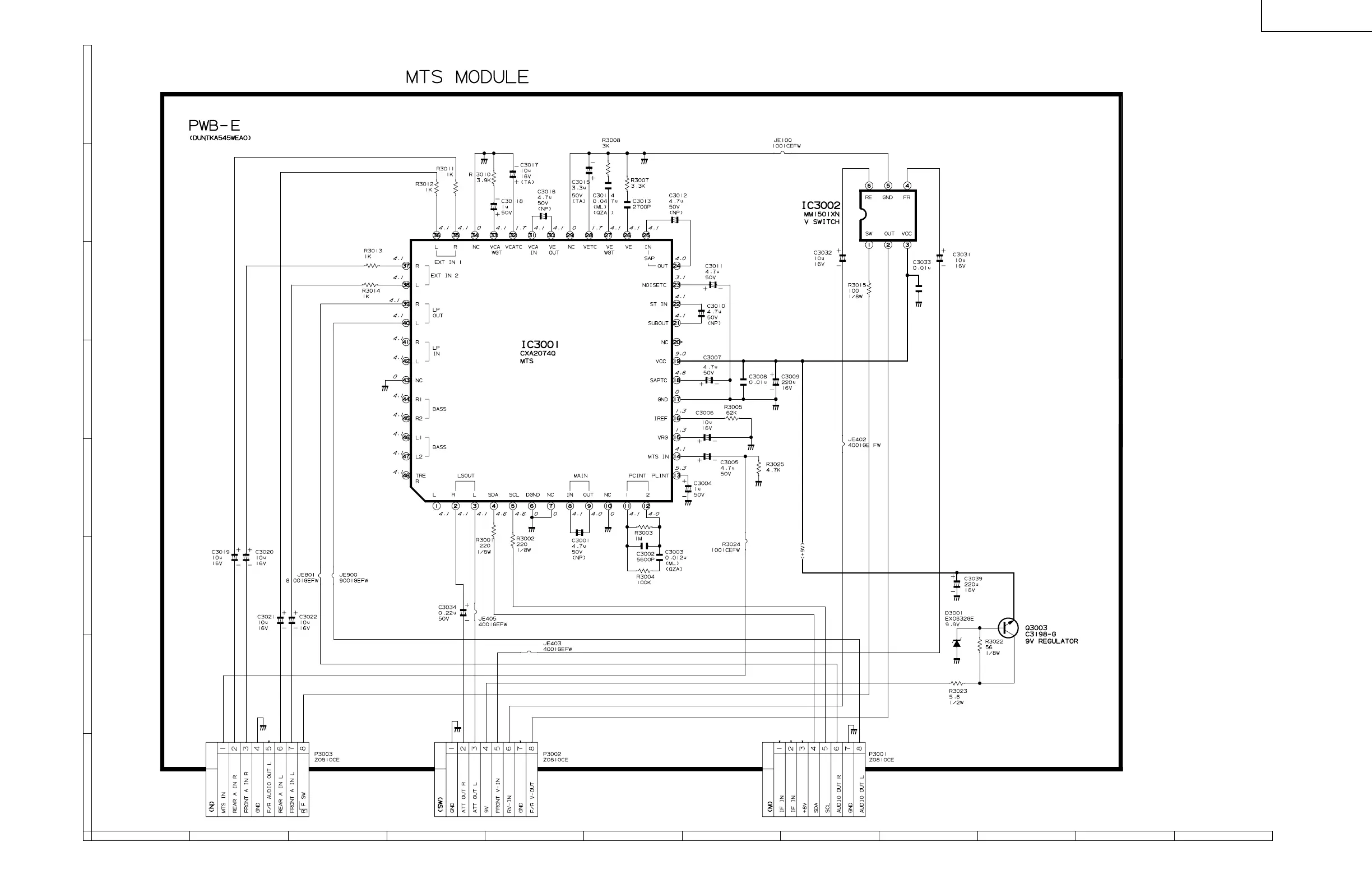
MODEL 20AR31 SCHEMATIC DIAGRAM: MTS MODULE Unit

Related product manuals