EasyManua.ls Logo

TouchTunes DA950-U - Ovation & Ovation II

TouchTunes DA950-U
32 pages
Print Icon
To Next Page IconTo Next Page
To Next Page IconTo Next Page
To Previous Page IconTo Previous Page
To Previous Page IconTo Previous Page
Loading...
18
Configurations
Ovation & Ovation II
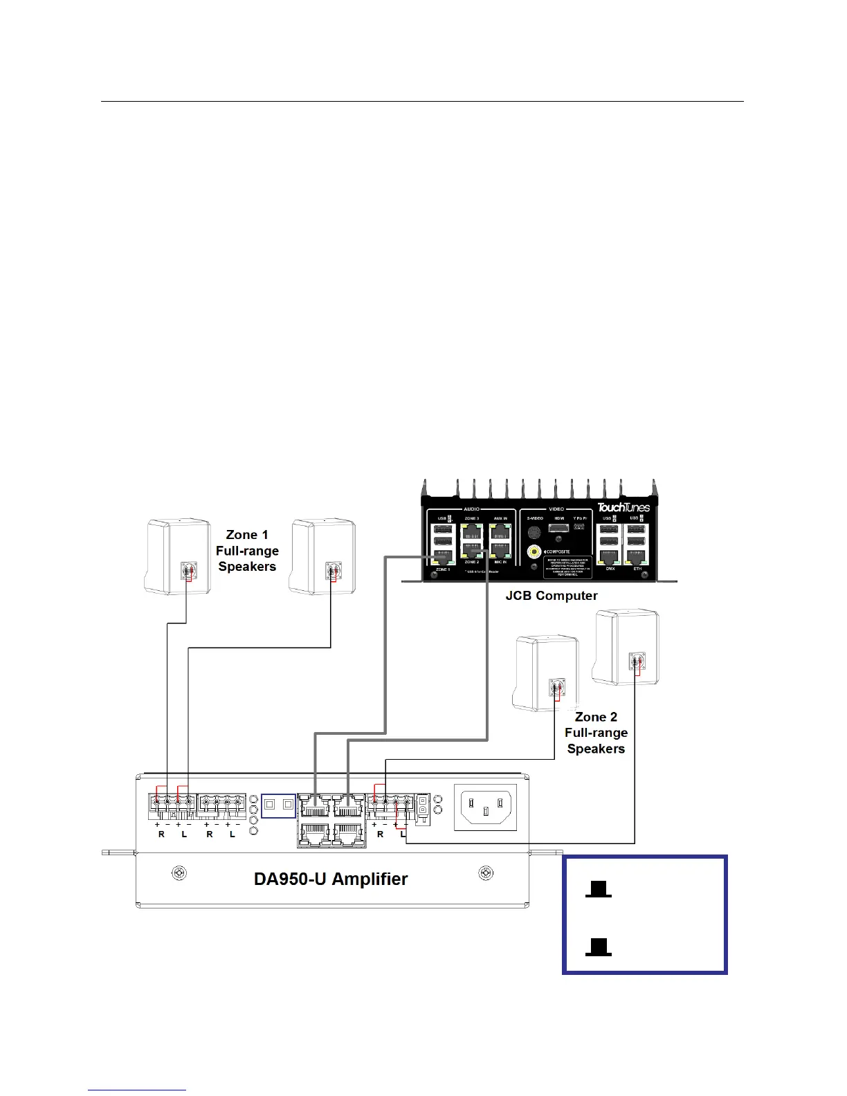
Installing the DA950-U
1. Turn off the Ovation jukebox.
2. Disconnect all cables connected to the DA415 amplifier:
a) Up to 2 euroblocks
b) Power cable
c) CAT-5/RJ-45 cable/connector coming from JCB or MJS computer
3. Remove the four screws that hold the amplifier in place.
4. Pull the DA415 out of the jukebox.
5. Set the switches on the DA950-U to 4-channel and Bass Boost OFF.
6. Place the DA950-U into the position previously occupied by the DA415.
7. Fasten the DA950-U using the screws you just removed from the DA415.
8. Reconnect all the cables.
a) Up to 2 euroblocks (to reproduce the previous configuration, connect one into one of the Zone 1
connectors, and one into the Zone 2 connector.)
b) Power cable
c) CAT-5/RJ-45 cable(s)/connector(s) coming from JCB or MJS computer
9. Check that the switches on the amplifier are set to 4-channel and Bass Boost OFF.
10. Turn the Ovation jukebox on, wait for it to boot, then play a song to verify that the speakers connected to
the replacement amplifier are playing the music normally.
Settings and Wiring
B: Bass Boost
set to OFF
M: Mode
4-Channel
BM

Related product manuals