EasyManua.ls Logo

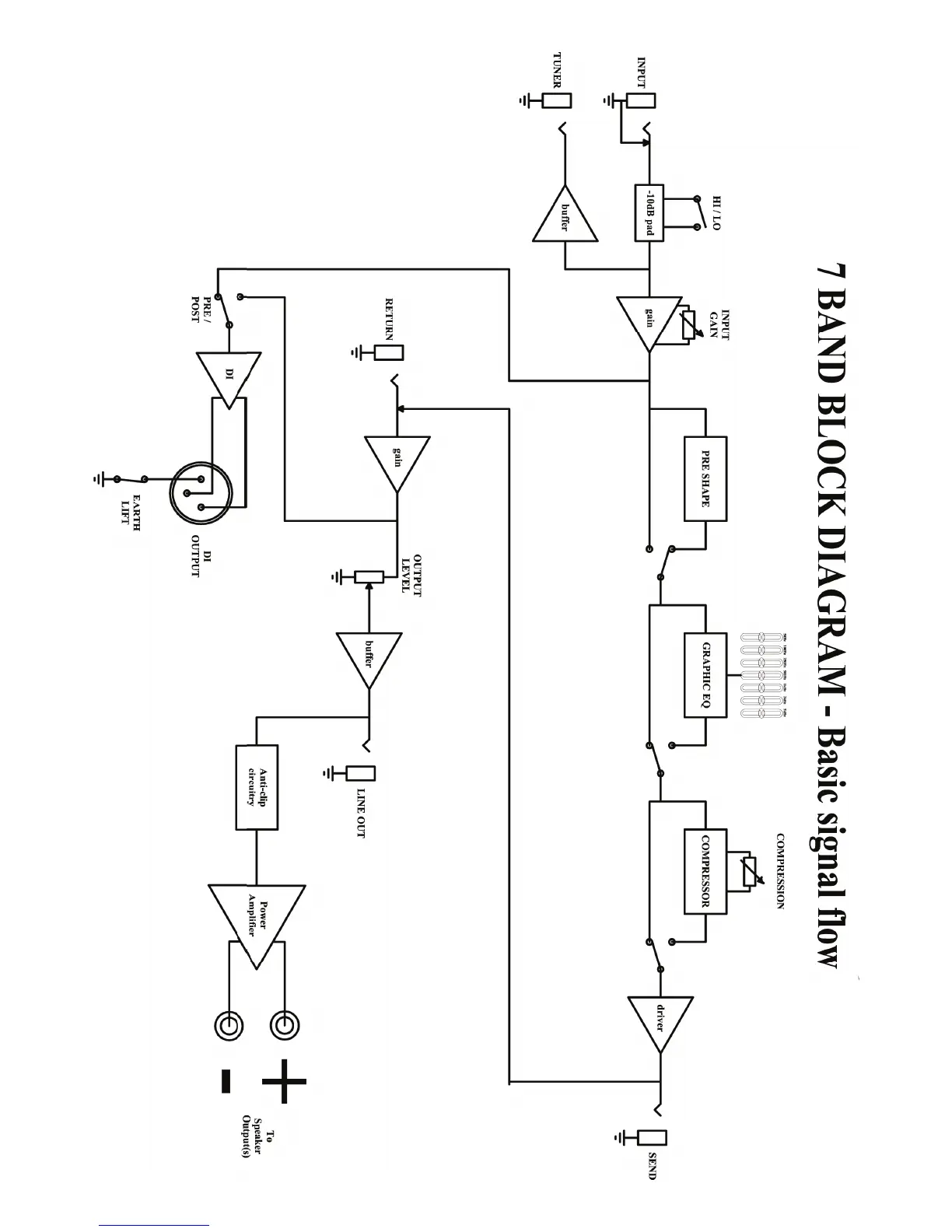
TRACE ELLIOT 715 - 7 Band Block Diagram

TRACE ELLIOT 715
35 pages
Print Icon
To Next Page IconTo Next Page
To Next Page IconTo Next Page
To Previous Page IconTo Previous Page
To Previous Page IconTo Previous Page
Loading...
25

Other manuals for TRACE ELLIOT 715

Related product manuals