EasyManua.ls Logo

Traeger COM150 - Page 2

Traeger COM150
9 pages
Print Icon
To Next Page IconTo Next Page
To Next Page IconTo Next Page
To Previous Page IconTo Previous Page
To Previous Page IconTo Previous Page
Loading...
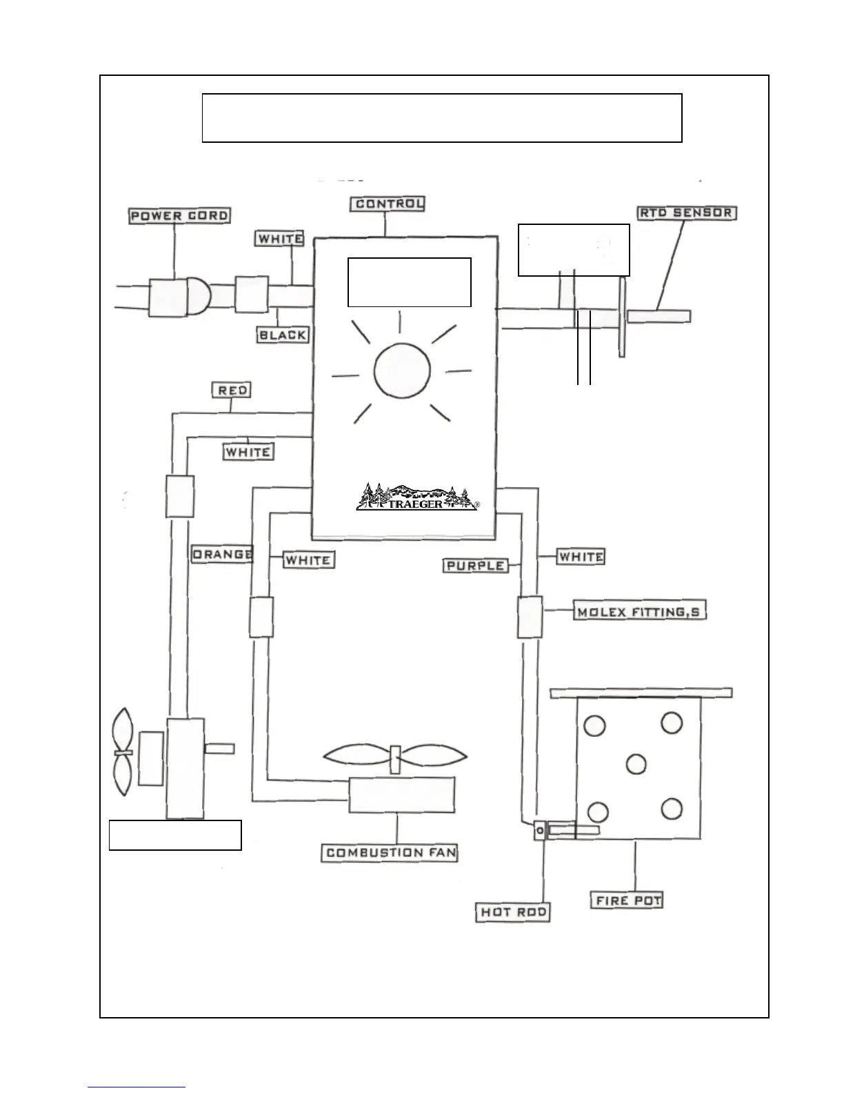
COM150 WIRING DIAGRAM
FIBERGLASS
WIRING
AUGER MOTOR
350

Related product manuals