EasyManua.ls Logo

Trane 4TWR5 - Page 10

Trane 4TWR5
16 pages
Print Icon
To Next Page IconTo Next Page
To Next Page IconTo Next Page
To Previous Page IconTo Previous Page
To Previous Page IconTo Previous Page
Loading...
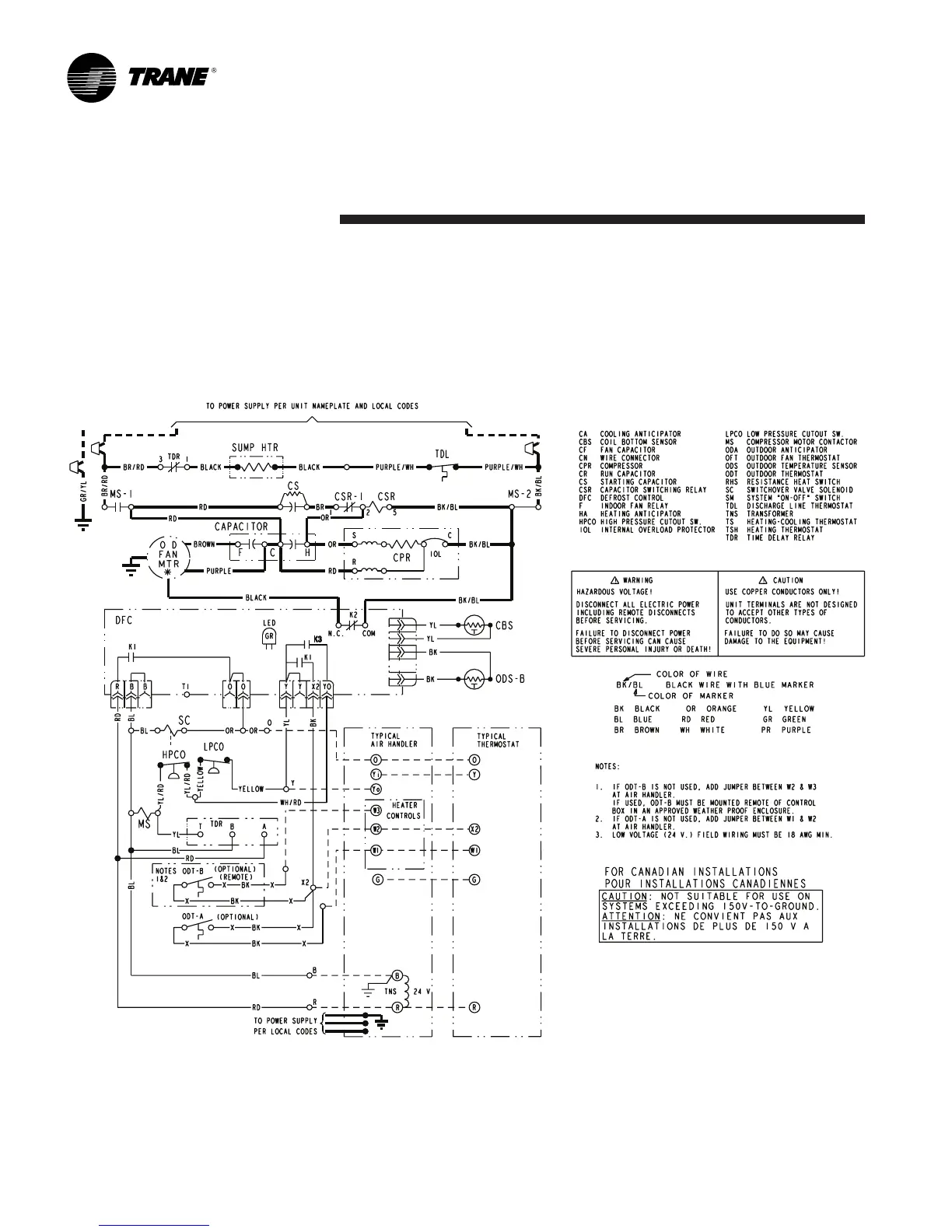
10 22-1832-13
Electrical
Data
Schematic Diagrams
4TWR5030
PrintedfromD156994P02

Related product manuals