EasyManua.ls Logo

Trane 4TXM2318BF300AA - Page 77

Trane 4TXM2318BF300AA
156 pages
Print Icon
To Next Page IconTo Next Page
To Next Page IconTo Next Page
To Previous Page IconTo Previous Page
To Previous Page IconTo Previous Page
Loading...
75
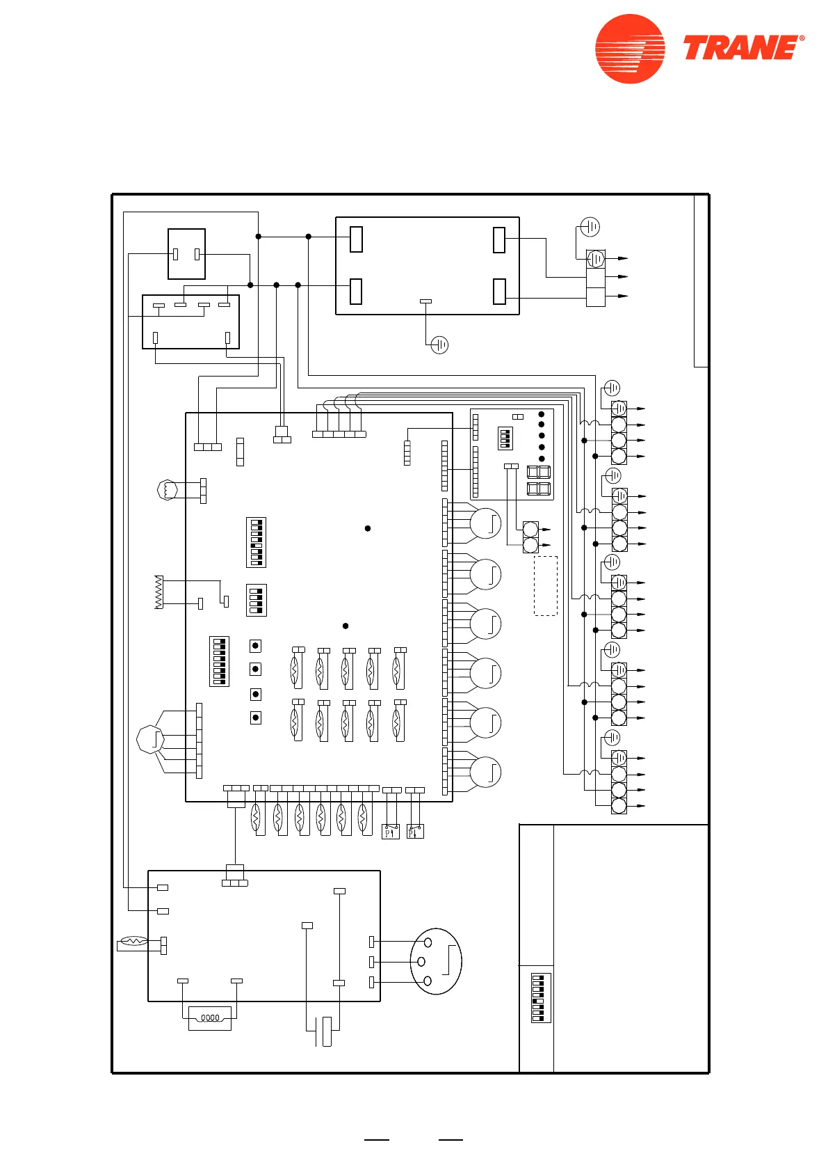
4TXM2342BF500AA
PMV_A
1 2 3 4 5 6 7 8
PTC CONTROL
SW3 SW4
SW2SW1
CN12
LP
HP
CN13
CN9
GND
CN11
CON8
CN8
CN5
DISPLAY
TO Module
ELECTRONIC
CONTROL UNIT
M
Td
Te
Ts
Ta
Tc
LED_G
LED_R
CN6
4-WAY VALVE
DC FAN
MOTOR
M
CN14
250VAC T3.15A
FUSE
Toci
CON9
FG
Vsp
Vcc
CN7
CN16
ACN
ACL
ON
4321
ON
DISPLAY
COMM
Vdc
L N
Power
CN2
CN23
CN21
SW6 SW5
B
W
R
W
U
R
V
B
W
PMV_B
M
CN17
PMV_C
M
CN18
PMV_D
M
CN19
PMV_RE
M
CN15
Y/G
To Indoor
Units E
2
1
3
CRANKCASE
HEATER
SW5
Y/G
To Indoor
Units D
2
1
3
Y/G
To Indoor
Units C
2
1
3
Y/G
To Indoor
Units B
2
1
3
Y/G
R
R
R
R
Y/G
ON
4321
CN2
CN3
CN1
CN4
SW1
4321
5
1 2 3 4 5 6 7 8
ON
SW7
B
W
0150538081
CN24 A-TC1
CN25 B-TC1
CN26 C-TC1
CN29 A-TC2
CN30 B-TC2
CN31 C-TC2
CN27 D-TC1 CN32 D-TC2
CN28 E-TC1 CN33 E-TC2
PMV_E
M
CN20
YE: Yellow B: Black BL: Blue
R: Red W: White Y/G: Yellow/Green
Y/G
To Indoor
Units A
2
1
3
R
C2
C1
A
B
To Center
Controller
DK2
MODULE
DK1
Reactor
U
W
V
CN15
Tm
CN2
MODEL:4TXM2342BF500AA
4TXM2348BF500AA
LOAD
LINE
POWER
CIRCUIT
BOARD
L
N
L N
6
5
1
2
3
4
Toci: Outdoor Condensing inlet Temp. sensor
Tc: Condensing Temp. Sensor
Ts: Compressor Suction Temp. Sensor
Ta: Ambient Temp. Sensor
Td: Compressor Discharge Temp. Sensor
Te: Defrosting Temp. Sensor
Tm: Module Temp. Sensor
Tc1(a/b/c/d/e):Condensing Temp. Sensor
for Indoor Units a/b/c/d/e (Gas Pipe)
Tc2(a/b/c/d/e):Condensing Temp. Sensor
for Indoor Units a/b/c/d/e (Liquid Pipe)
*The dashed part is optional.
W
B
B
B
B
W
R
R
R
PTC
RELAY
L
N
DC+
PD
DC-
+
-
YE
Capacitor
BL
B
W
1
2
3
4 5
6
7
8
ON
R

Related product manuals