EasyManua.ls Logo

Trane 4YCY4060A - Page 17

Trane 4YCY4060A
29 pages
Print Icon
To Next Page IconTo Next Page
To Next Page IconTo Next Page
To Previous Page IconTo Previous Page
To Previous Page IconTo Previous Page
Loading...
17
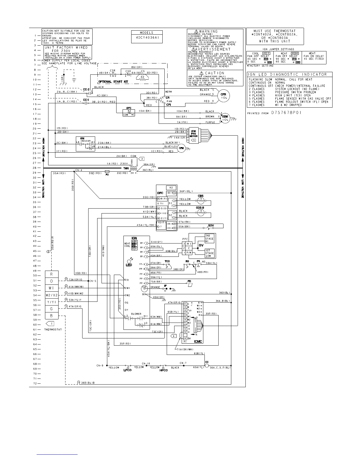
From Dwg. 21D757165 P02
Typical Wiring

Related product manuals