EasyManua.ls Logo

Trane CCAF - Page 26

Trane CCAF
100 pages
Print Icon
To Next Page IconTo Next Page
To Next Page IconTo Next Page
To Previous Page IconTo Previous Page
To Previous Page IconTo Previous Page
Loading...
26 CGWF-SVX01A-EN
Installation Mechanical
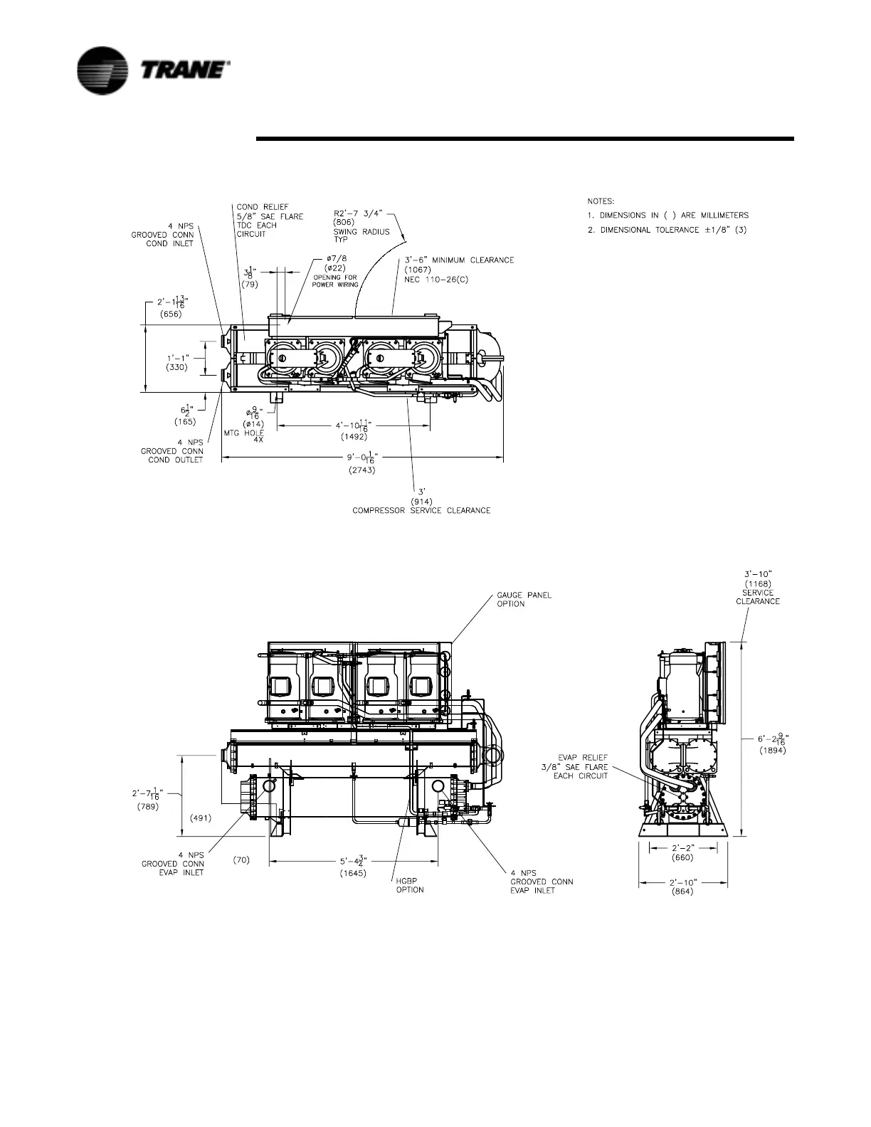
Figure 9 CGWF 60 Ton Unit Dimensions, Recommended Clearances, Mounting Locations,
Electrical, Water Connection Size and Locations

Table of Contents

Other manuals for Trane CCAF

Related product manuals