EasyManua.ls Logo

Trane RAUC-C20 - Page 10

Trane RAUC-C20
112 pages
Print Icon
To Next Page IconTo Next Page
To Next Page IconTo Next Page
To Previous Page IconTo Previous Page
To Previous Page IconTo Previous Page
Loading...
10 SS-SVX09A-EN
Installation
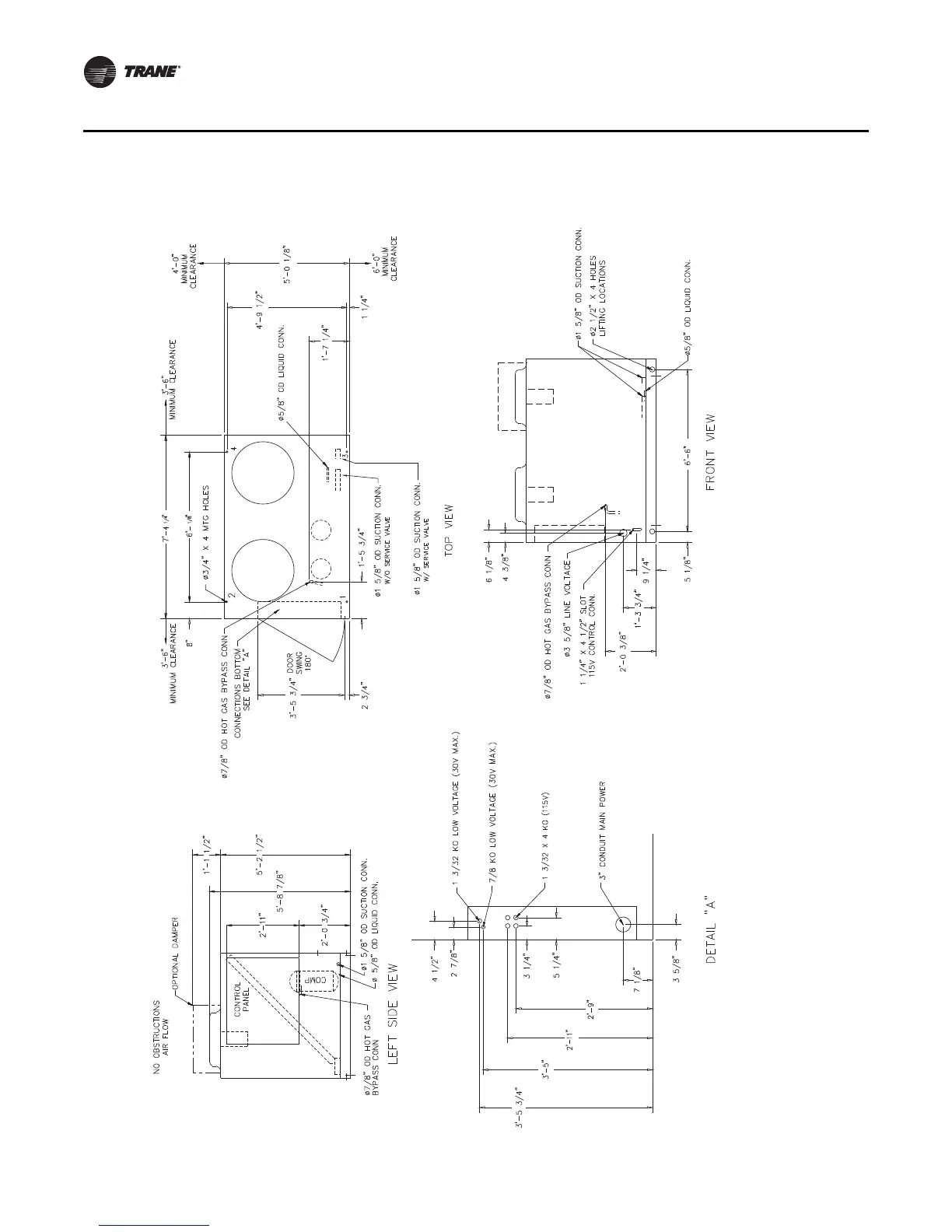
Figure 3. RAUC-C20 Unit Dimensional Data & Recommended Clearances

Table of Contents

Related product manuals