EasyManua.ls Logo

Trane RAUJ-C40 - Unit Dimensions

Trane RAUJ-C40
132 pages
Print Icon
To Next Page IconTo Next Page
To Next Page IconTo Next Page
To Previous Page IconTo Previous Page
To Previous Page IconTo Previous Page
Loading...
16
SS-SVX11K-EN
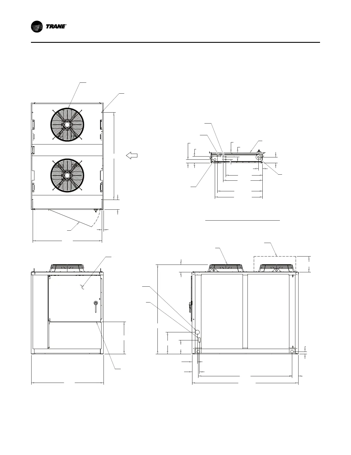
Unit Dimensions
Figure 5. Air-cooled condensing unit 20 ton
4" CONDUIT
MAIN POWER
1 3/4" KO LOW
VOLTAGE (30V MAX.)
37 11/16"
3 3/8"
CONTROL PANEL
35 13/16"
31 1/4"
29 1/4"
4 1/2"
2 5/8"
5 5/16"
5 3/8"
3 3/8"
1/2" X 4 KO (115V)
1/2" X 2 KO (115V)
4 3/8"
6 1/8"
88 5/16"
74 1/4"
60"
11 1/2"
18"
1 1/4" x 4 1/2"
SLOT FOR 115
VOLT CONTROL
4" LINE
VOLTAGE
ACCESS
78"
5 3/16"
1 13/16"
LOW AMBIENT
DAMPER (SEE NOTE 2)
FAN GRILLE
FAN GRILLE
CONTROL PANEL
(SEE DETAIL A)
26 13/16"
CONTROL BOX BOTTOM
(SEE DETAIL A)
13"
6 1/4"
57 5/8"
1 1/4"
8"
72 1/2"
3/4" X 4 MTG HOLES
DOOR 43 1/4" W/
180 DEG SWING
2 1
4 3
FRONT (SEE
NOTE 3 FOR
ALL MIN.
CLEARANCE)
NOTES:
1. SEE CONNECTION DRAWING FOR CONNECTION LOCATION AND SIZES.
2. LOW AMBIENT DAMPER ONLY COMES WITH SELECTED UNIT .
3. FRONT OF UNIT CLEARANCE 72" . BACK OF UNIT CLEARANCE 72" .
LEFT AND RIGHT SIDE OF UNIT CLEARANCE 42".
DETAIL A
CONTROL BOX BOTTOM
DDiimmeennssiioonnss aanndd WWeeiigghhttss

Table of Contents

Related product manuals