EasyManua.ls Logo

Trane RAUJ-C40 - Page 69

Trane RAUJ-C40
132 pages
Print Icon
To Next Page IconTo Next Page
To Next Page IconTo Next Page
To Previous Page IconTo Previous Page
To Previous Page IconTo Previous Page
Loading...
SS-SVX11K-EN
69
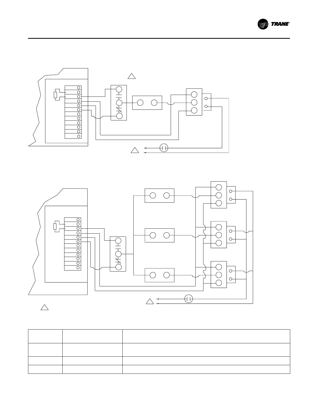
panel, refer to the actual unit wiring diagram for
terminal designation, i.e. W, B, R, & Y. A separate
power supply for the actuator(s) must be field
provided.
Figure 44. Unit control panel 20 to 60 tons
Field Provided Power Supply
(Provide disconnect switch and
overload protection as required.)
Unit Control Panel
1
1
EFI
R
7TB8
12
11
10
9
8
7
6
5
4
3
2
1
EC
W
R
B
R
W
W
R
B
MM-1
TR-1
MP-1
Figure 45. Unit control panel 80 to 120 tons
Field Provided Power Supply
(Provide disconnect switch and
overload protection as required.)
1
Unit Control Panel
7TB8
12
11
10
9
8
7
6
5
4
3
2
1
R
EC
W
R
B
R
W
MP-1
MP-2
MP-3
R
R
W
W
R
R
W
W
B
B
B
W
R
NM-1
NM-2
NM-3
TR-1
TR-2
TR-3
1
EFI
Table 25. Economizer actuator circuit legend
Device
Designation Device Designation
Parts And Notes
MM Modutral Motor
M.H. M955 (Up to 3 motors may be controlled as shown. Additional motors must be
slaved.)
TR Transformer
M.H. 13081B; cover mounted
EC
Enthalpy Control
M.H. H2051046
IInnssttaallllaattiioonn EElleeccttrriiccaall

Table of Contents

Related product manuals