EasyManua.ls Logo

Trane RTAA-200 - Maintenance; Coil Cleaning; Chemically Cleaning The Evaporator

Trane RTAA-200
140 pages
Print Icon
To Next Page IconTo Next Page
To Next Page IconTo Next Page
To Previous Page IconTo Previous Page
To Previous Page IconTo Previous Page
Loading...
135
RTAA-IOM-3
Maintenance
General
This section describes specific
maintenance procedures which must
be performed as a part of the normal
maintenance program for this unit. Be
certain that electrical power to the unit
is disconnected before performing
these procedures.
WARNING: Position all electrical
disconnects in the “OPEN”
position and lock them, to
prevent injury or death due to
electrical shock.
Coil Cleaning
Clean the condenser coils at least once
each year, or more frequently if the unit
is located in a “dirty” environment.
This will maintain proper unit operating
efficiencies. Follow the detergent
manufacturer’s instructions as closely
as possible to avoid damage to the
coils.
To clean the coils, use a soft brush and
a sprayer, either the garden, pump-up
type or a high-pressure type. A high-
quality detergent, such as “Trane Coil
Cleaner, CHM-0002” is recommended
for both standard and “Blue-Fin” coils.
Note: If the detergent mixture is
strongly alkaline (pH value greater than
8.5), an inhibitor must be added.
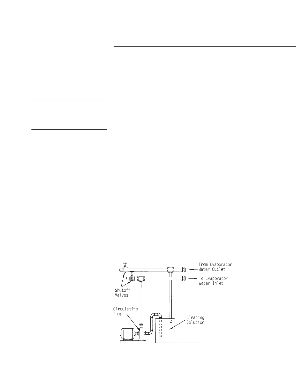
Chemically Cleaning
The Evaporator
The chilled water system is a closed-
loop and therefore should not
accumulate scale or sludge. If the
chiller becomes fouled, first attempt to
dislodge the material by backflushing
the system. If unsuccessful after several
attempts, chemically clean the
evaporator.
Caution: Do not use an acid type
cleaning agent that will damage
steel, galvanized steel,
polypropylene, or internal copper
components.
With this information, water treatment
firms will be able to recommend a
suitable chemical for use in this
system.
A typical configuration for chemical
cleaning is shown in Figure 59. The
supplier of the cleaning chemicals must
provide or approve:
All of the materials used in this
configuration
The amount of chemicals used
The length of time the chemicals are
used
Any safety precautions and
handling instructions
Domestic Water
Heater – Tube Cleaning
The water tubes may be mechanically
cleaned with a wire brush. This can be
done by isolating the water supply to
the Domestic Water Heater, relieving
the water pressure, and removing the
access plugs at the rear of the unit.
Once the tubes have been brushed and
scale has been loosened, flush the
water tubes with fresh water, reinstall
the access plugs and return to service.
The circulator should be shut off during
this operation and all air must be bled
from the water circuit when returning
the unit to operation. Be certain to use
an approved pipe sealant on the
threaded access plugs when
reinstalling to prevent water leaks.
Figure 59
Chemical Cleaning Configuration

Table of Contents

Related product manuals