EasyManua.ls Logo

Trane RTAA-200 - Page 39

Trane RTAA-200
140 pages
Print Icon
To Next Page IconTo Next Page
To Next Page IconTo Next Page
To Previous Page IconTo Previous Page
To Previous Page IconTo Previous Page
Loading...
39
RTAA-IOM-3
RTAA-SA-2003A
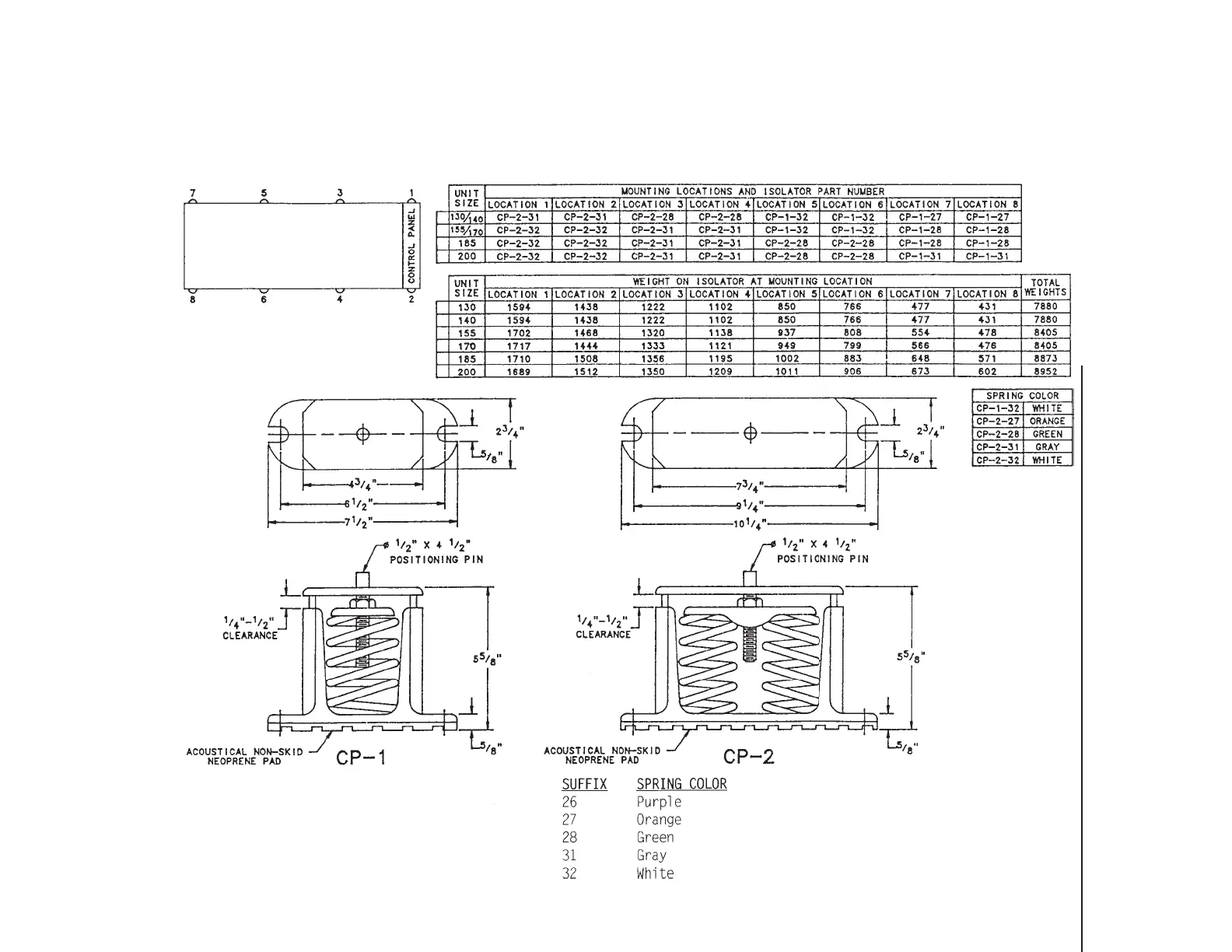
Figure 20
Spring Isolator Placement for
Typical RTAA Outdoor Unit with
Remote Evaporator Option

Table of Contents

Related product manuals