EasyManua.ls Logo

Trane RTAC 150 Series - Page 109

Trane RTAC 150 Series
138 pages
Print Icon
To Next Page IconTo Next Page
To Next Page IconTo Next Page
To Previous Page IconTo Previous Page
To Previous Page IconTo Previous Page
Loading...
109 RTAC-SVX002A-EN
Maintenance Procedures
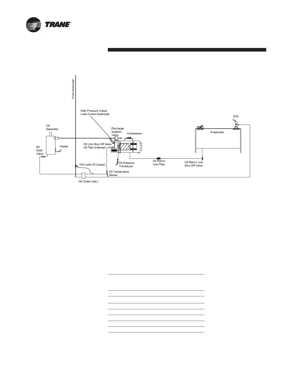
Fig. XI-01 – Oil System Schematic
Oil system consists of the following com-
ponents:
• Compressor
• Oil separator
• Discharge line with service valve
• Oil line from separator to compressor
• Oil line drain (lowest point in system)
• Oil cooler - optional
• Oil temperature sensor
• Oil line shut off valve with are service
connection
Oil lter (internal to compressor) with
are tting service connection and
schrader valve
Oil ow control valve (internal to the
compressor after the lter)
Oil return line from evaporator with shut
off valve and strainer
Refer to Table below - Table for the stan-
dard oil charge for each circuit.
NOTE: Recommendation: check the oil
level in the sump using a sight glass or a
manometer, attached to charging hoses.
Tab. XI-02 – Charge Holding Capabilities on High Side
Circuit Approximate
sump oil level
after
Normal quantity of
oil in refrigeration
70 7 1.1 (0.14)
85
6 1.1 (0.14)
100 7 1.8 (0.23)
120 7 1.8 (0.23)
170 8 3.5 (0.44)
200 8 3.5 (0.44)
240 8 3.5 (0.44)
Circuit varies slightly with efciency and unit conguration

Related product manuals