EasyManua.ls Logo

Trane RTAC 150 Series

Trane RTAC 150 Series
138 pages
To Next Page IconTo Next Page
To Next Page IconTo Next Page
To Previous Page IconTo Previous Page
To Previous Page IconTo Previous Page
Loading...
123 RTAC-SVX002A-EN
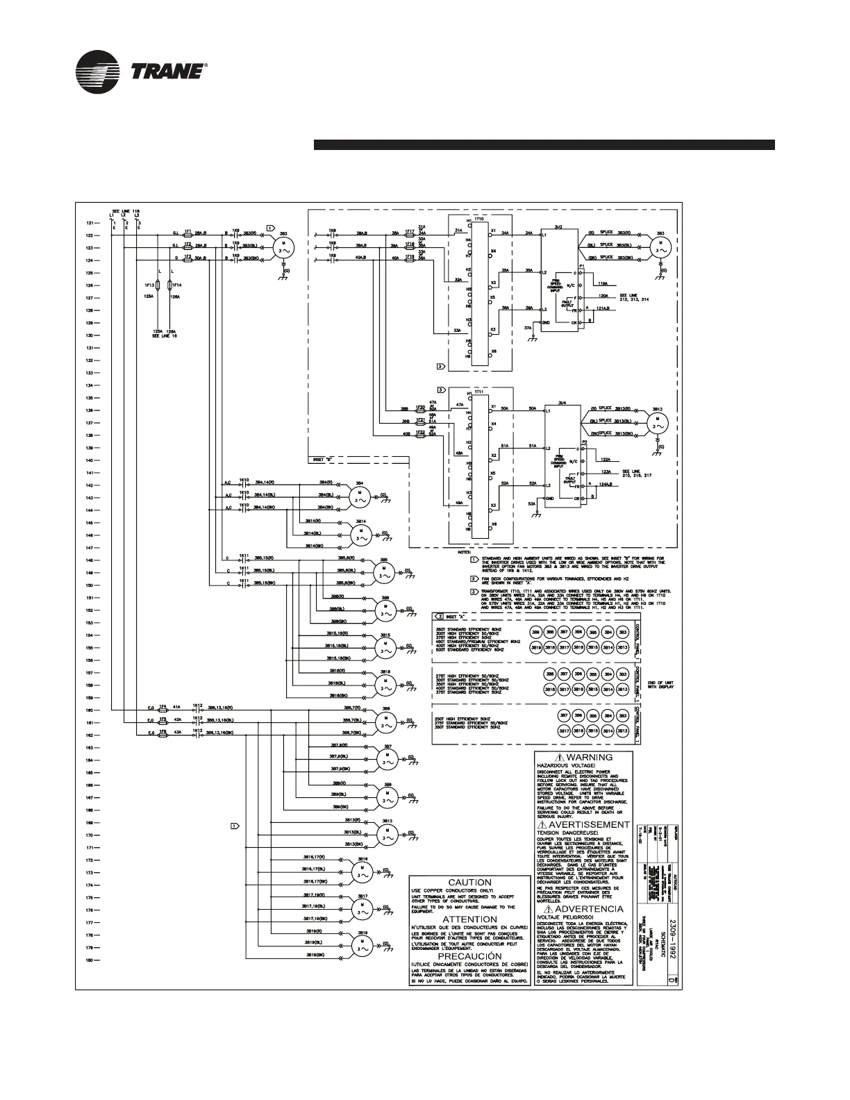
Wiring Diagram
Fig. XII-11 – Wiring Diagram, Fan, 3&4 Length, Circuit 1, Hight Voltage

Related product manuals