EasyManua.ls Logo

Trane TCONT724AS42DAA - Page 31

Trane TCONT724AS42DAA
40 pages
Print Icon
To Next Page IconTo Next Page
To Next Page IconTo Next Page
To Previous Page IconTo Previous Page
To Previous Page IconTo Previous Page
Loading...
31
18-HD82D1-1B-EN
XR724 INSTALLER’S GUIDE
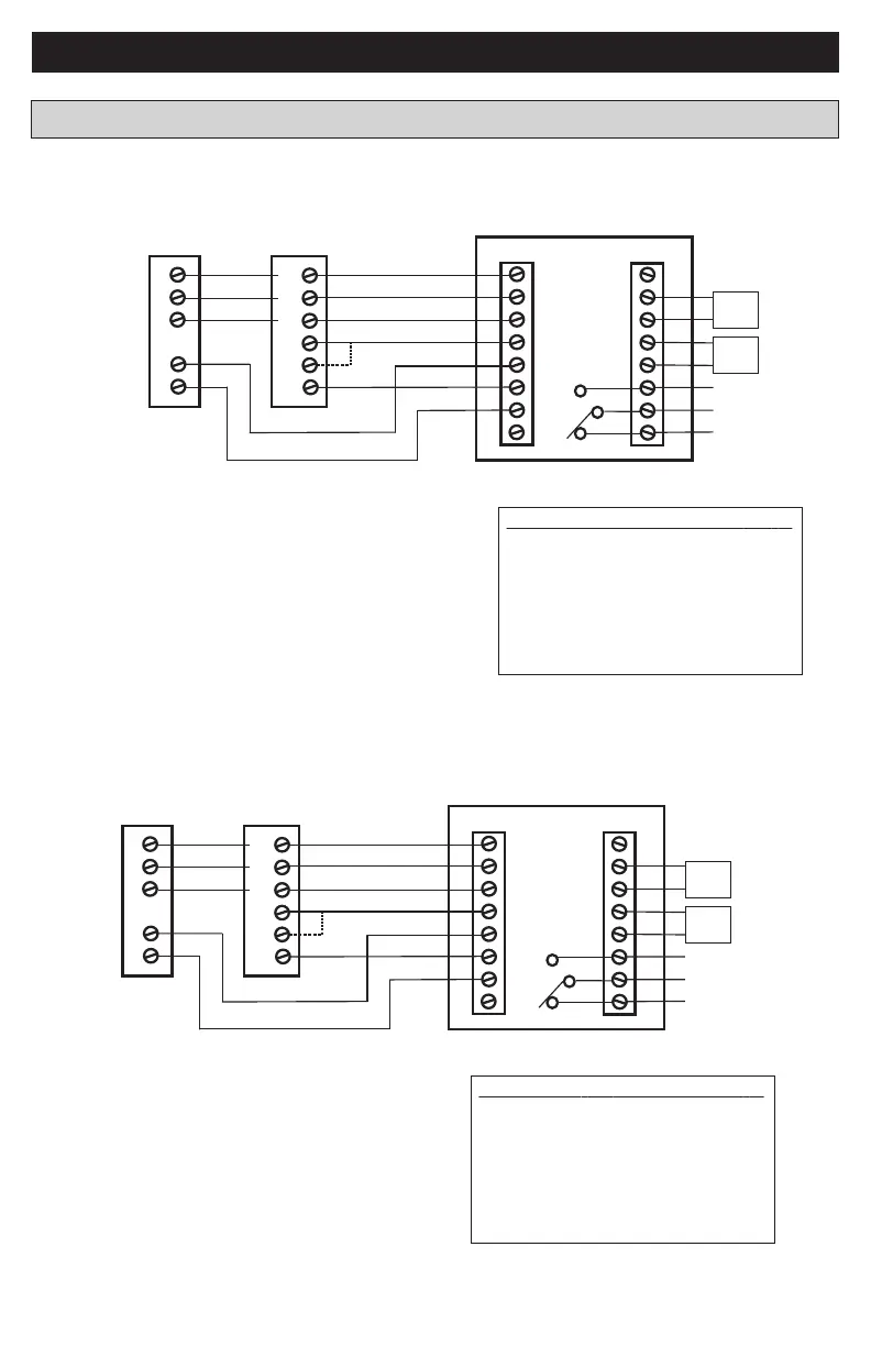
Non-VS Air Handler
& Electric Heat
Heat Pump Diagram 7: 1 Stage Heat Pump w/GAT2 & GAM2 Model Air Handler
G
W1
R
B/C
W2
One stage
Heat Pump
Y
R
B
Notes:
1. Jumper “W2” to “W3” if three stages of indoor heat
are available
Sensor Options in the Installer Settings/Sensor Settings menu
Remote Sensor (connect to the RS terminals)
- None
- Replaces internal sensor
- Average with internal sensor
Outdoor Temp Sensor (connect to the ODT terminals)
- None
- Outdoor
Caution: Do not run sensor wires in the same bundle with HVAC
wires. Keep away from high voltage wiring to avoid interference.
Remote Temperature Sensor Connections and Operation:
Aux relay
outputs
RS
C
RS
R
ODT
W1
W2
BK
ODT
NO
C
Y1
NC
Y2
O/B
G
Thermostat Connection
Outdoor
Sensor
Remote
Sensor
W3
X2
O
(Note 1)
Non-VS Air Handler
& Electric Heat
Heat Pump Diagram 8: 1 Stage Heat Pump w/TEM3 Model Air Handler
G
W1
R
B/C
W2
One stage
Heat Pump
Y
R
B
Notes:
1. Jumper “W2” to “W3” if three stages of indoor heat
are available
Sensor Options in the Installer Settings/Sensor Settings menu
Remote Sensor (connect to the RS terminals)
- None
- Replaces internal sensor
- Average with internal sensor
Outdoor Temp Sensor (connect to the ODT terminals)
- None
- Outdoor
Caution: Do not run sensor wires in the same bundle with HVAC
wires. Keep away from high voltage wiring to avoid interference.
Remote Temperature Sensor Connections and Operation:
Aux relay
outputs
RS
C
RS
R
ODT
W1
W2
BK
ODT
NO
C
Y1
NC
Y2
O/B
G
Thermostat Connection
Outdoor
Sensor
Remote
Sensor
W3
X2
O
(Note 1)
Heat Pump Wiring Diagrams

Related product manuals