EasyManua.ls Logo

Trane TCONT724AS42DAA - Page 32

Trane TCONT724AS42DAA
40 pages
Print Icon
To Next Page IconTo Next Page
To Next Page IconTo Next Page
To Previous Page IconTo Previous Page
To Previous Page IconTo Previous Page
Loading...
32
18-HD82D1-1B-EN
Variable Speed Air
Handler & Electric Heat
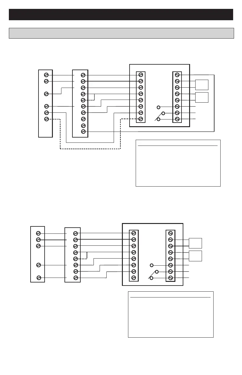
Heat Pump Diagram 9: 1 or 2 Stage Heat Pump w/TEM8, TEM6 Variable Speed Air Handler
G
W1
Y1
R
B/C
Y2
BK
W2
One or Two stage
Heat Pump
Y1
R
B
Y2
Notes:
1. Cut/remove the factory installed “BK” jumper at the indoor unit
2. Jumper “W2” to “W3” if three stages of indoor heat
are available
3. For non-Trane/American Standard indoor units “BK” is not
connected and the “Y1”/”Y2” must be connected at indoor unit
Sensor Options in the Installer Settings/Sensor Settings menu
Remote Sensor (connect to the RS terminals)
- None
- Replaces internal sensor
- Average with internal sensor
Outdoor Temp Sensor (connect to the ODT terminals)
- None
- Outdoor
Caution: Do not run sensor wires in the same bundle with HVAC
wires. Keep away from high voltage wiring to avoid interference.
Remote Temperature Sensor Connections and Operation:
Aux relay
outputs
RS
C
RS
R
ODT
W1
W2
BK
ODT
NO
C
Y1
NC
Y2
O/B
G
Thermostat Connection
Outdoor
Sensor
Remote
Sensor
O
W3
X2
O
(Note 2)
(Note 3)
(Note 1)
Air Handler &
Electric Heat
Heat Pump Diagram 10: 1 Stage Heat Pump w/non-Variable Speed Air Handler
(Excludes Hyperion/Forefront/TEM3 Air Handlers)
G
W1
Y1
R
B/C
W2
Single Stage
Heat Pump
Y
R
B
Notes:
1. Jumper “W2” to “W3” if three stages of indoor heat
are available.
Sensor Options in the Installer Settings/Sensor Settings menu
Remote Sensor (connect to the RS terminals)
- None
- Replaces internal sensor
- Average with internal sensor
Outdoor Temp Sensor (connect to the ODT terminals)
- None
- Outdoor
Caution: Do not run sensor wires in the same bundle with HVAC
wires. Keep away from high voltage wiring to avoid interference.
Remote Temperature Sensor Connections and Operation:
Aux relay
outputs
RS
C
RS
R
ODT
W1
W2
BK
ODT
NO
C
Y1
NC
Y2
O/B
G
Thermostat Connection
Outdoor
Sensor
Remote
Sensor
O
W3
X2
O
(Note 1)
Heat Pump Wiring Diagrams
XR724 INSTALLER’S GUIDE

Related product manuals