EasyManua.ls Logo

Transpak TP-6000CE1 - TP-6000 CE1;TP-6000 CE1 S Wiring

Default Icon
121 pages
Print Icon
To Next Page IconTo Next Page
To Next Page IconTo Next Page
To Previous Page IconTo Previous Page
To Previous Page IconTo Previous Page
Loading...
-18-
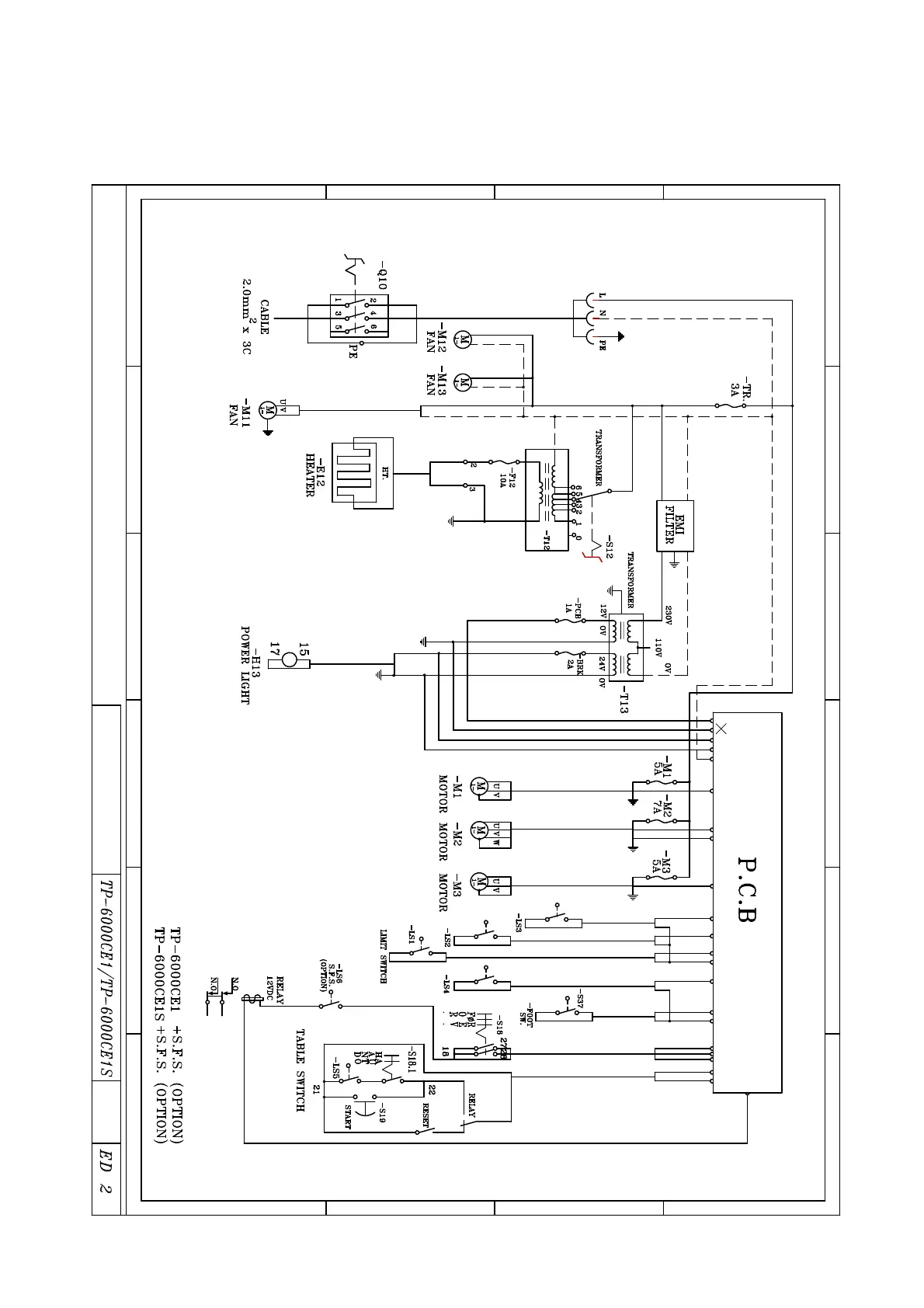
b. TP-6000CE1/TP-6000CE1S
PAGE
1
A
B
2
3
MACHINE
MODEL
C
D E
4
A
B
C
D E
F
1
2
3
4
F
01/18/08

Related product manuals