EasyManua.ls Logo

Transpak TP-6000CE1 - TP-6000-3 Series Wiring

Default Icon
121 pages
Print Icon
To Next Page IconTo Next Page
To Next Page IconTo Next Page
To Previous Page IconTo Previous Page
To Previous Page IconTo Previous Page
Loading...
PAGE
1
A
B
2
3
MACHINE
MODEL
C
D E
4
A
B C D E
F
1
2
3
4
F
-19-
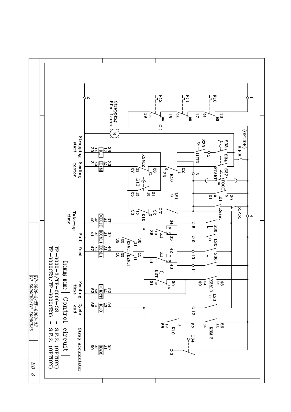
c. TP-6000-3/TP-6000-3S/TP-6000CE3/TP-6000CE3S
01/18/08

Related product manuals