EasyManua.ls Logo

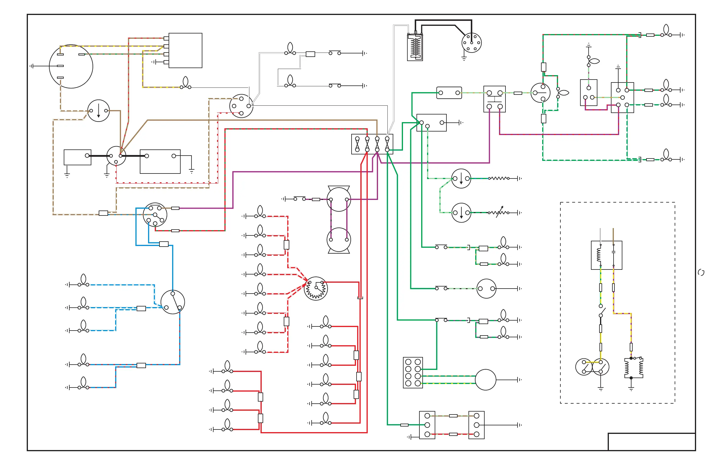
Triumph TR6 1973 - TR250 Wiring Diagram Overview; Power and Starting Systems; Lighting and Indicator Circuits; Ignition and Gauge Systems

Triumph TR6 1973
9 pages
Print Icon
To Next Page IconTo Next Page
To Next Page IconTo Next Page
To Previous Page IconTo Previous Page
To Previous Page IconTo Previous Page
Loading...
TR 250
F
_
+
IND
+
-
_
C1
W1
W2
C2
C4
P
L
B
1
3
4
HAZARD
SWITCH
TURN SIGNAL
SWITCH
TURN SIGNAL
FLASHER
TS INDICATOR
HAZARD
RELAY
HAZARD
FLASHER
LH REAR
LH FRONT
RH FRONT
RH REAR
B L
B+
+
F
STARTER
STARTER
SOLENOID
BATTERY
AMMETER
LIGHTING
SWITCH
ALTERNATOR
ALTERNATOR
REGULATOR
ALTERNATOR WARNING LAMP
BRAKE WARNING LAMP
LOW OIL PRESSURE LAMP
BRAKE WARNING SWITCH
LOW OIL PRESSURE SWITCH
FUSE BOX
IGNITION SWITCH
B
E
I
TEMP GAUGE & SENDER
FUEL GAUGE & SENDER
GAUGE ILLUMINATION LAMPS
DIMMER
SWITCH
HIGH BEAMSLOW BEAMS
HIGH BEAM INDICATOR
FRONT PARKING &
MARKER LIGHTS
HORN
BUTTON
TAIL, REAR MARKER, &
LICENSE PLATE LAMPS
B
DISTRIBUTER
IGNITION
COIL
WIPER MOTOR
WIPER SWITCH
HEATER FAN
SWITCH
HEATER FAN MOTOR
REVERSE LIGHTS
& SWITCH
BRAKE LIGHTS
& SWITCH
WINDSHIELD WASHER
1 2
3
4
5 6
7
8
W1
W2
C1
C2
YP
YP
Y
Y
YG
YG
B
W N
B
FROM FUSE BOX
OVERDRIVE
ON - OFF
SWITCH
TRANSMISSION
INTERLOCK
SWITCHES
PULL-IN
COIL
HOLDING
COIL
CUT-OUT
SWITCH
OVERDRIVE
SOLENOID
RELAY
OPTIONAL OVERDRIVE
GAUGE LAMP
DIMMER CONTROL
HORNS
UW
UW
UW
UR
UR
UR
UW
U
U U
RW
RW
RW
RW
RW
RW
RW
RW
R
R
RW
R
R
R
R
R
R
R
R
R
R
R
R
R
P P
P
G G
R
R
RG
N
W
W
W
WNY
RG
PN
RG
NW
NW
NU
NW
NW
NY
NG
NR
NY
W
WB
WB
WN
PB
PB
PB
G
G
G G
G
LG/G
LG/G
GN GN GN
GN
GN
GU
GB
LG/N LG/N LG/N
GR
GR
GR
GR
GR G
GW G
GW
GW
GW
GW
GW
GR
P PR
PR
GW
GR
W
G
G
GP GP GP
GP
GP
B
B
R/LG R/LG
N/LG N/LG
GN
GY
GAUGE VOLTAGE
STABILIZER
G LG/B
WR
NW
WR
N
N
NR
LG/P
PR
LG/N
B
B
B
B
B
B
B
B
B
B
B
B
B
B
B
B
B
P
B
B
B
B
B
B
B
B
B
B
Y
B
B
B
B
COLOR CODES
N Brown LG Light Green G Green
U Blue W White B Black
R Red Y Yellow K Pink
P Purple S Slate O Orange
F
S
2
AUTO-WIRE
advance
May be reproduced for personal, non-commercial use only
www.advanceautowire.com
A PUBLICATION 5 © 200
d
m
p

Related product manuals