EasyManua.ls Logo

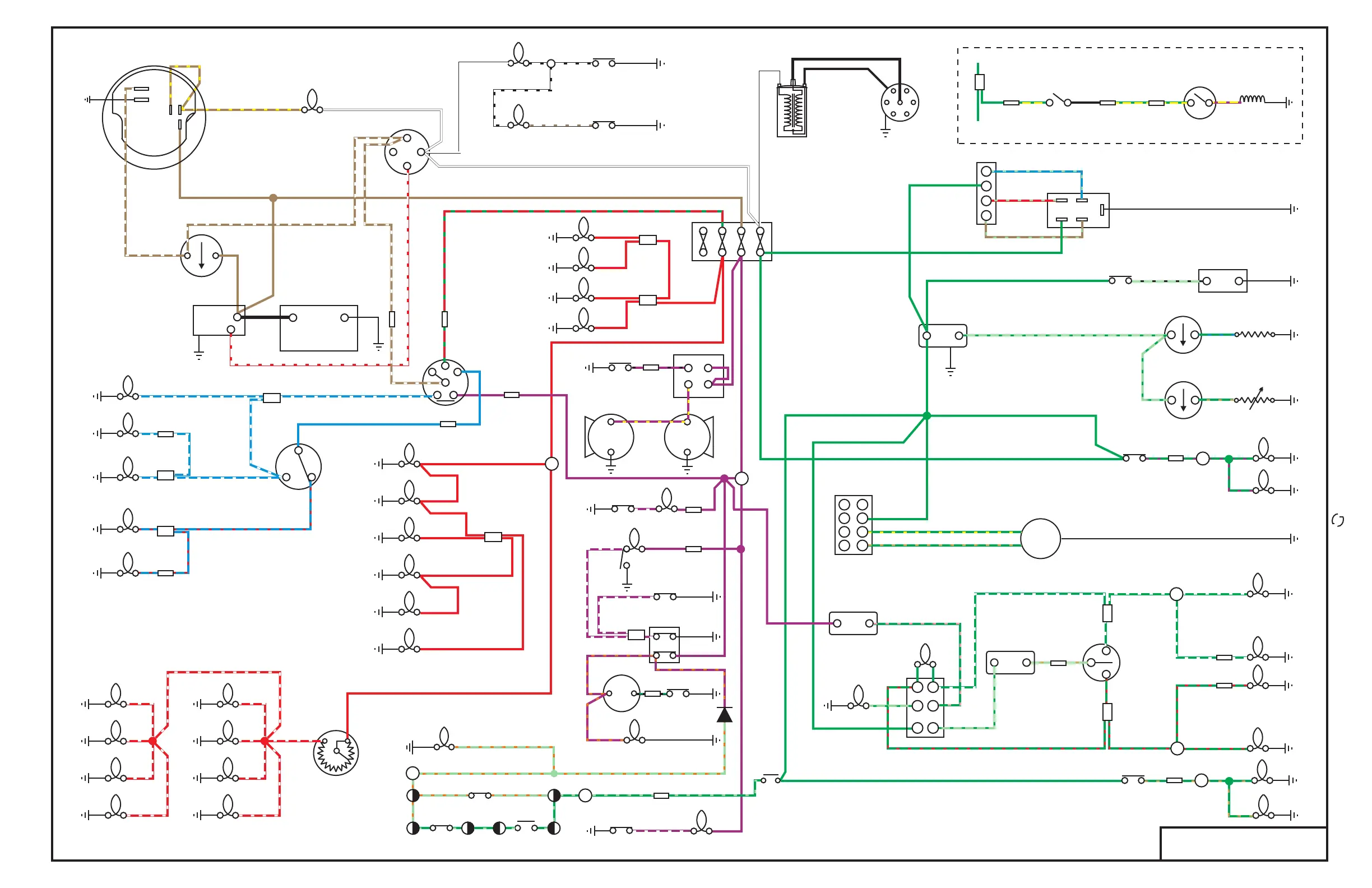
Triumph TR6 1973 - 72 TR6 Electrical Schematics; Power Source and Ignition; Lighting and Warning Systems

Triumph TR6 1973
9 pages
Print Icon
To Next Page IconTo Next Page
To Next Page IconTo Next Page
To Previous Page IconTo Previous Page
To Previous Page IconTo Previous Page
Loading...
DIMMER
SWITCH
HIGH BEAMSLOW BEAMS
BRAKE WARNING LAMP
LOW OIL PRESSURE LAMP
BRAKE WARNING SWITCH
LOW OIL PRESSURE SWITCH
IGNITION SWITCH
REVERSE LIGHTS
& SWITCH
BRAKE LIGHTS
& SWITCH
HEATER FAN
SWITCH
+
-
BATTERY
GAUGE ILLUMINATION LAMPS
B
DISTRIBUTER
IGNITION
COIL
GLOVE BOX LAMP & SWITCH
TRANSMISSION
TUNNEL LAMP
TRUNK LAMP & SWITCH
DOOR
SWITCHES
+
-
TEMP GAUGE & SENDER
FUEL GAUGE & SENDER
B
I
WIPER MOTOR
WIPER SWITCH
HEATER FAN MOTOR
GAUGE LAMP
DIMMER CONTROL
WINDSHIELD WASHER
HORN
BUTTON
HORNS
C2
W1
W2
C1
X
X
X
ALTERNATOR
RH
LH
IGNITION KEY
WARNING
BUZZER
FRONT PARKING &
MARKER LIGHTS
X
RH SEAT
SWITCH
RH SEAT
BELT SWITCH
SEAT BELT NEUTRAL
SAFETY SWITCH
LH SEAT BELT SWITCH
G/LG
G/LG
G/LG G/LG G/LG
LG/O
LG/O
DIODE
SEAT BELT WARNING LIGHT
LG/O
NC
NC
NO
X
X
OD
SOLENOID
TRANSMISSION
INTERLOCK
SWITCH
YP
YG
YG
B
YG
G
G
G
OVERDRIVE
ON - OFF
SWITCH
OPTIONAL OVERDRIVE
GAUGE VOLTAGE
STABILIZER
G
U/LG
R/LG
N/LG
B
B
B
G
LG/G
LG/G
LG/B
GU
GN
G
G
G
G
G
G
G
G
G
G
GY
GN
G
B
G
G
LG/O
PO
PO
PO
B
BG
PPPW
PW
P
PW P
PBPB
PY
PY
P
N
N
RG
W W
G
GPPPR
R
R
R
R
R
R
W
WB
WB
WB
NY
NY
W
R
R
R
R
P
PW
W
WN
W
W
W
WR
NW
NW
HIGH BEAM INDICATOR
UW
UW
UW
UW
UW
U
UR
UR
UW
UR
UR
RW
RW
RW
RW RW
RW
RW
RW
RW
G GN GN GN
GN
P
P
P
GP GPGP
GP
GP
B
B
B
B
B
B
B
B
B
B
B
B
B
B
B
B
B
B
N
‘72 TR6
AMMETER
N
NW
NW
STARTER
WR
N
WR
RG
U
U
P
UW
NU
RG
TAIL, REAR MARKER, &
LICENSE PLATE LAMPS
R
R
R
R
R
R
R
HAZARD
SWITCH
TURN SIGNAL
SWITCH
TURN SIGNAL
FLASHER
LH REAR
LH FRONT
RH FRONT
B L
X
GW
GW GW
GRGR
GR
GWGW
GW
GR
GR
GR
G
LG/G
LG/S
LG/S
LG/K
LG/N LG/N
GW
GW
GR
B
B
B
B L
HAZARD
FLASHER
RH REAR
X
GR
COLOR CODES
N Brown LG Light Green G Green
U Blue W White B Black
R Red Y Yellow K Pink
P Purple S Slate O Orange
KEY ILLUMINATION LAMP
1 2
3
4
5 6
7
8
1 2
3
4
7
8
AUTO-WIRE
advance
May be reproduced for personal, non-commercial use only
www.advanceautowire.com
A PUBLICATION 5 © 200
d
m
p

Related product manuals