EasyManua.ls Logo

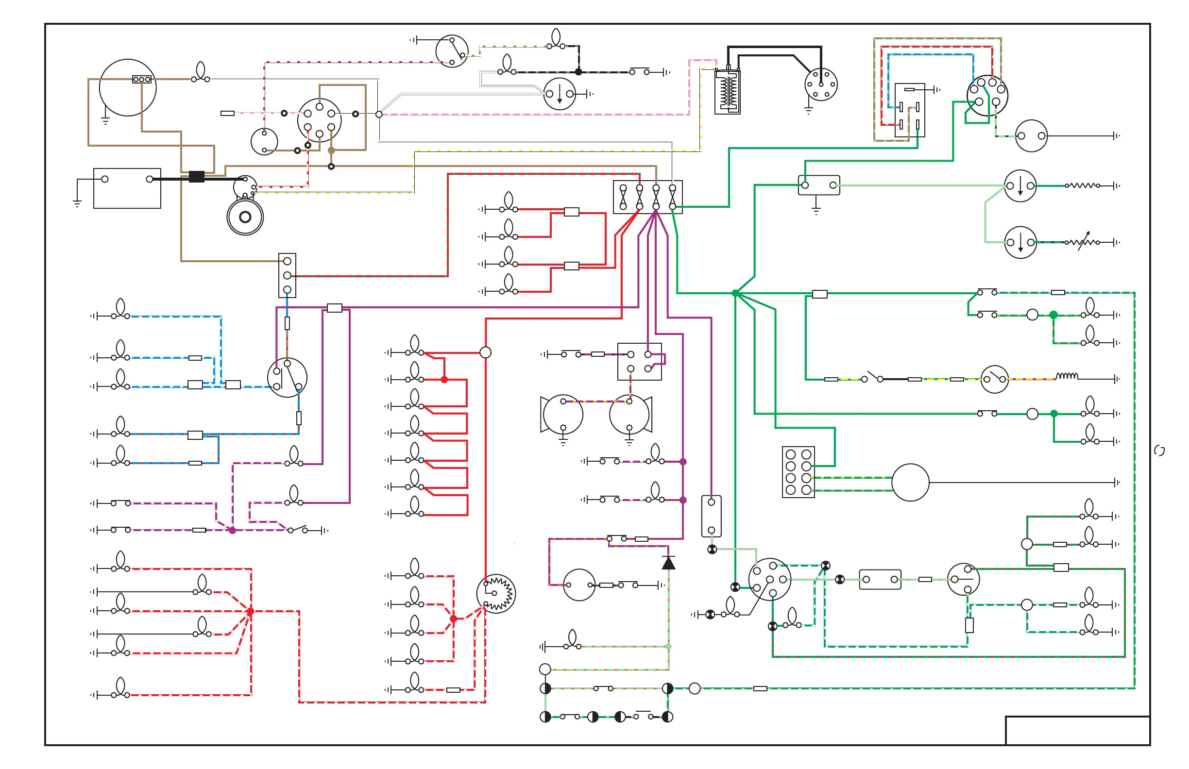
Triumph TR6 1973 - 73 TR6 Wiring Diagram; Engine and Starting Systems; External Lighting and Signals

Triumph TR6 1973
9 pages
Print Icon
To Next Page IconTo Next Page
To Next Page IconTo Next Page
To Previous Page IconTo Previous Page
To Previous Page IconTo Previous Page
Loading...
REVERSE LIGHTS
& SWITCH
B
DISTRIBUTER
IGNITION
COIL
TEMP GAUGE & SENDER
FUEL GAUGE & SENDER
BRAKE LIGHTS
& SWITCH
1 2
3
5
7
HEATER FAN
SWITCH
+
-
BATTERY
OVERDRIVE SOLENOID
TRANSMISSION
INTERLOCK SWITCH
YGYGBYGG
OVERDRIVE
ON - OFF SWITCH
HORN
BUTTON
HORNS
C2
W1
W2
C1
U
X
X
X
KEY ILLUMINATION LAMP
FOOTWELL LAMP
RH DOOR SWITCH
LH DOOR SWITCH
LH DOOR SWITCH
FOOTWELL LAMP
SWITCH
GAUGE & DASH
ILLUMINATION LAMPS
GAUGE & DASH
ILLUMINATION LAMPS
DIMMER &
FLASH-TO-PASS
SWITCH
HIGH BEAMSLOW BEAMS
HIGH BEAM INDICATOR
GLOVE BOX LAMP
FRONT PARKING &
MARKER LIGHTS
TAIL, REAR MARKER, &
LICENSE PLATE LAMPS
TRUNK LAMP & SWITCH
NEUTRAL SAFETY SWITCH
B I
WIPER/WASHER
SWITCH
WIPER MOTOR
N/LG
R/LG
U/LG
LG/B
HEATER FAN MOTOR
VOLTMETER
BRAKE FAILURE
SWITCH
BRAKE FAIL
LAMP
LOW OIL
PRESSURE LAMP
IGNITION
SWITCH
ALTERNATOR WARNING
LAMP
STARTER
RADIO
CONNECTION
HEADLIGHT
SWITCH
GAUGE
LAMP
DIMMER
CONTROL
HORN RELAY
HAZARD FLASHER
GAUGE VOLTAGE
STABILIZER
BALLAST RESISTER WIRE
COLOR CODES
N Brown LG Light Green G Green
U Blue W White B Black
R Red Y Yellow K Pink
P Purple S Slate O Orange
UW
UW
UW
UR
UR
PW
PW
RW
B
B
RW
RW
RW
RW
RW
RW
RW
RW
RW RW
R
G
G
GGGG
G
G
P P P P
R
R
R
R
R R
R
R
R
R
R
R
R
R
R
R
R
KW
NR
P
RG
WR
N
N
N
RG
WY
W
N
N
RW
RW
RW
P
PW
PW
PW
GPG
G
GY
GN
GN
G/LG
G
LG
LG
G
G
W
BP
BP
BP
WNY
N
ALTERNATOR
N
P
UR
UW
UR
UW
PW
RW
W
B
W
WK
N
N
N
PY
PY
P
P
PBPB
N W
FUSE BOX
WR
B
B
B
B
B
B
B
B
B
B
B
B
B
B
B
B
B
B
L B
G/LG
LG/O
RH SEAT
SWITCH
RH SEAT
BELT SWITCH
LH SEAT BELT SWITCH
G/LG
G/LG
G/LG G/LG
LG/O
LG/O
SEAT BELT
WARNING LIGHT
LG/O
NC
NC
NO
X
X
B
IGNITION KEY
SWITCH
DIODE
PO
PO
PO
BG
P
P
PPW
PPW
1
2
3
4
5
6
OIL PRESSURE
SWITCH
WP
WN
N
WP
ANTI
RUN-ON
VALVE
KEY &SEAT
BELT WARNING
BUZZER
NR
X
LH FRONT
LH REAR
X
RH FRONT
RH REAR
B L
TURN SIGNAL
FLASHER
HAZARD
SWITCH
TURN SIGNAL
INDICATOR
HAZARD
INDICATOR
TURN SIGNAL
SWITCH
B
B
GR
GR
GR
GW
GW
GW
GR
GW
GW
GR
GR
LG/N LG/N
LG/K
GW
G
LG/S
LG/S
B
KW
WY
WK
I
S
P
‘73 TR6
YP
WASHER MOTOR
B
GP
GP
GN
GN
G/LG
GU
GB
B
B
B
1
2
3
4
4
6
8
AUTO-WIRE
advance
May be reproduced for personal, non-commercial use only
www.advanceautowire.com
A PUBLICATION 5 © 200
d
m
p

Related product manuals