EasyManua.ls Logo

Troy-Bilt B809H - Models B809 H and R809 K Parts List

Troy-Bilt B809H
44 pages
Print Icon
To Next Page IconTo Next Page
To Next Page IconTo Next Page
To Previous Page IconTo Previous Page
To Previous Page IconTo Previous Page
Loading...
26
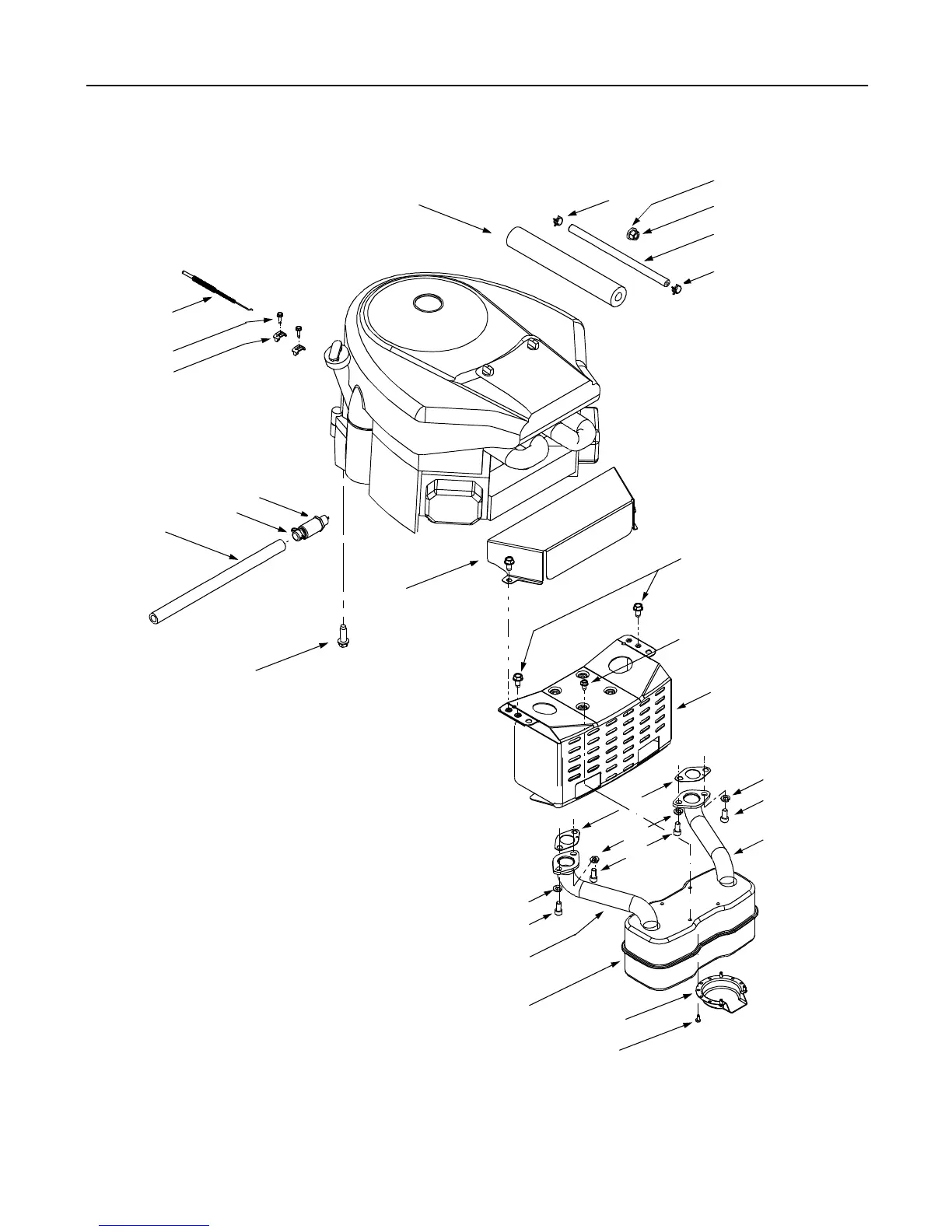
SECTION 12: MODELS B809H & R809K PARTS LIST
9
7
11
(for choke)
13
4
12
6
9
22
18
19
20
8
10
14
10
5
10
5
16
15
1
17
5
24
3
2
21
23

Related product manuals