EasyManua.ls Logo

Troy-Bilt TB490BC - Engine Parts - Model TB490 BC; 4-Cycle Gas Trimmer

Troy-Bilt TB490BC
32 pages
Print Icon
To Next Page IconTo Next Page
To Next Page IconTo Next Page
To Previous Page IconTo Previous Page
To Previous Page IconTo Previous Page
Loading...
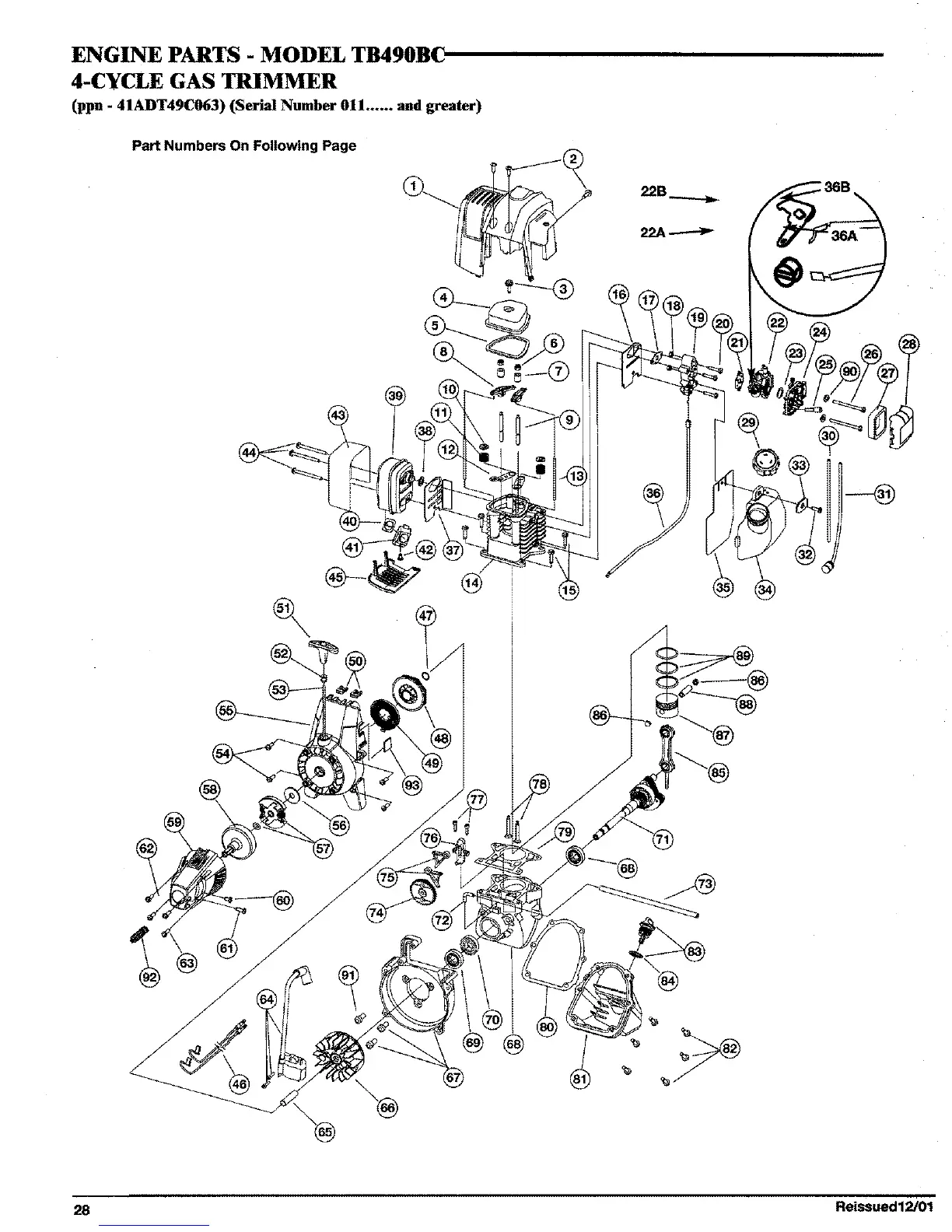
ENGINE PARTS - MODEL TB490BC
4-CYCLE GAS TRIMMER
(ppn - 41ADT49C063) (Serial Number 011 ...... and greater)
Part Numbers On Following Page
22B
/
%
@
28 Reissued12/01

Table of Contents

Other manuals for Troy-Bilt TB490BC

Related product manuals