EasyManua.ls Logo

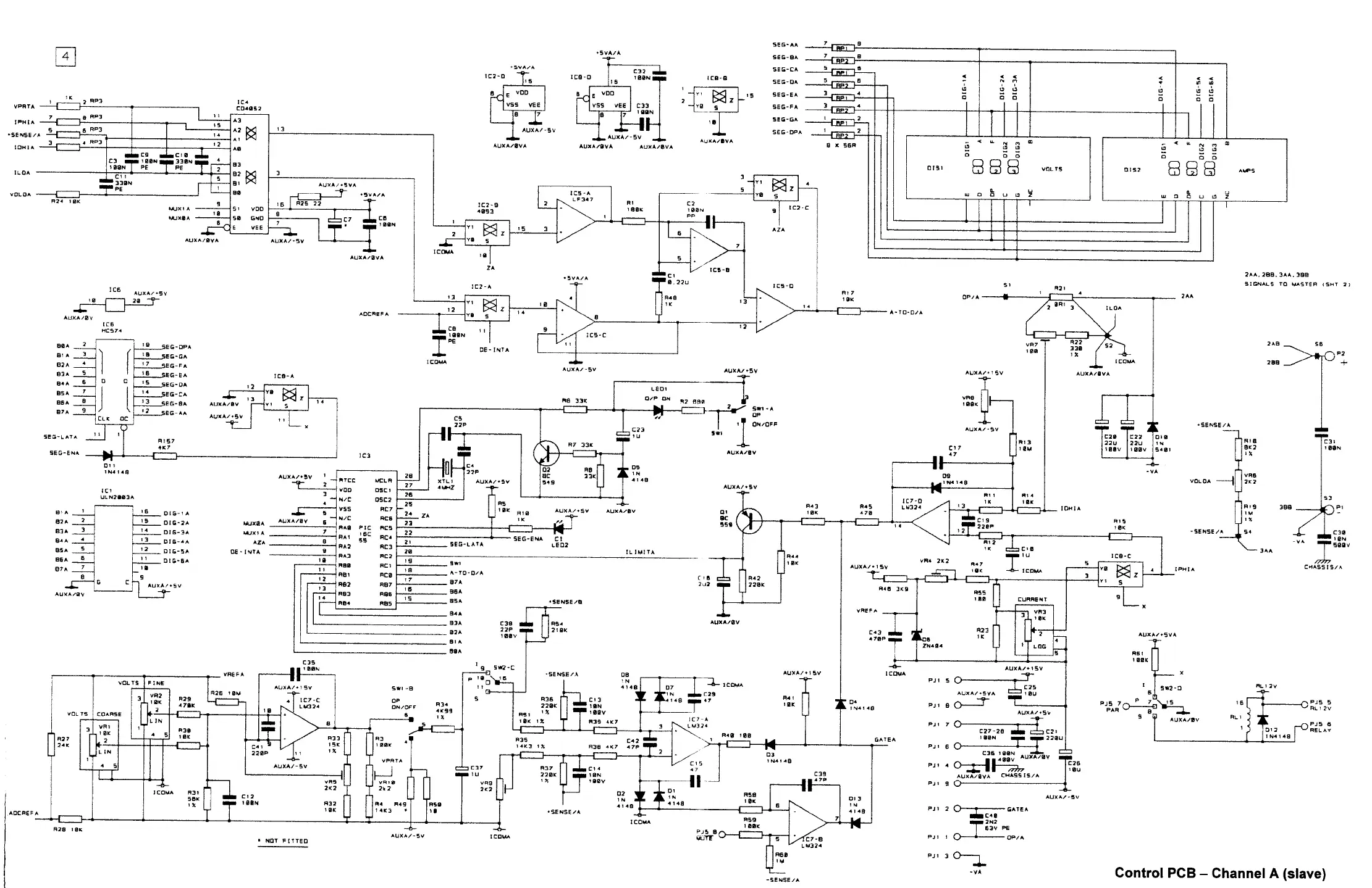
TTI EX752M - Control PCB - Channel A Schematic

TTI EX752M
26 pages
Print Icon
To Next Page IconTo Next Page
To Next Page IconTo Next Page
To Previous Page IconTo Previous Page
To Previous Page IconTo Previous Page
Loading...

Other manuals for TTI EX752M

Related product manuals