EasyManua.ls Logo

TuffStuff AXT-5D - Page 15

TuffStuff AXT-5D
48 pages
Print Icon
To Next Page IconTo Next Page
To Next Page IconTo Next Page
To Previous Page IconTo Previous Page
To Previous Page IconTo Previous Page
Loading...
168
91
42
91
24
41
91
168
46
100
100
91
24
101
166
122
101
122
166
122
101
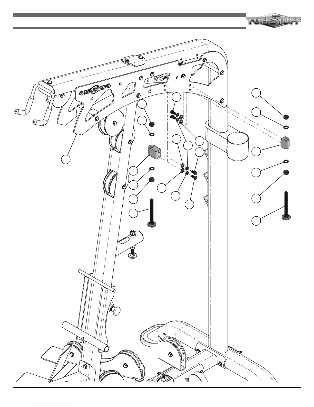
15AXT-5S_AXT-5D AXT- Pro-Style Home Gym

Related product manuals