EasyManua.ls Logo

Tunturi E40 - Page 13

Tunturi E40
15 pages
Print Icon
To Next Page IconTo Next Page
To Next Page IconTo Next Page
To Previous Page IconTo Previous Page
To Previous Page IconTo Previous Page
Loading...
86
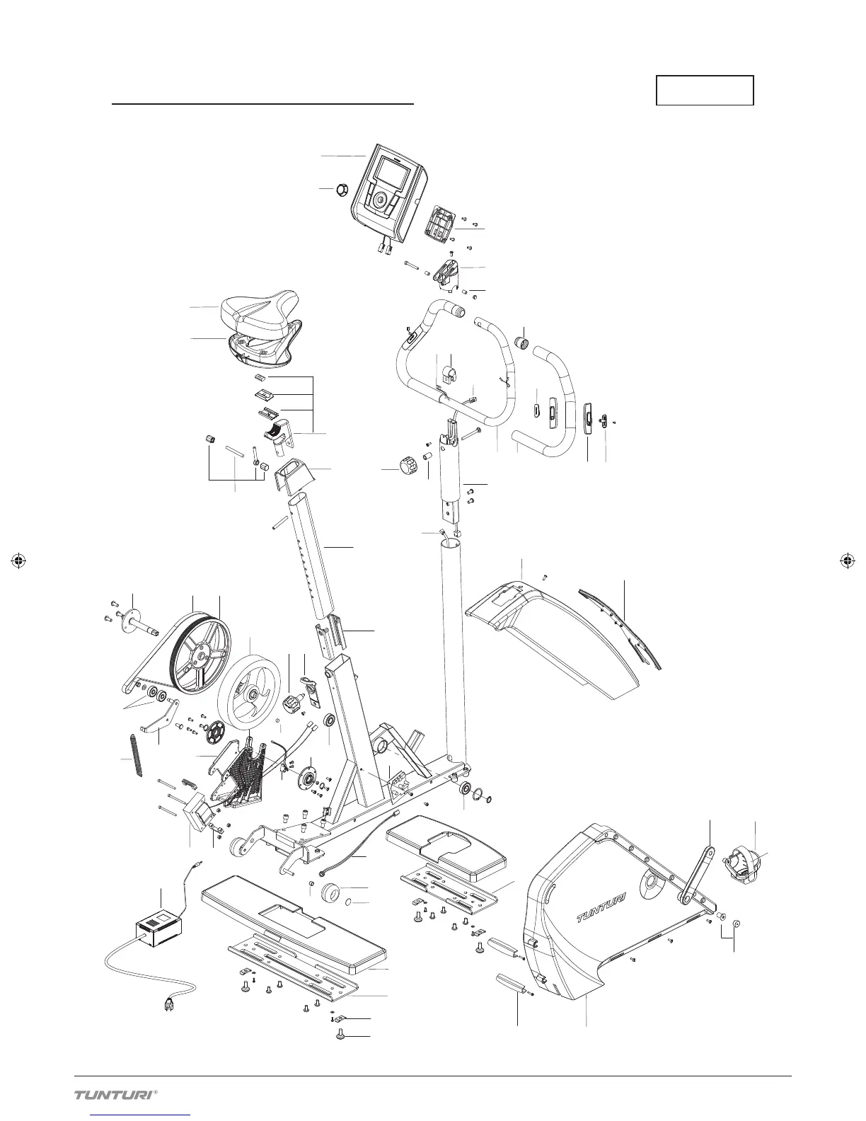
E40 EXPLODED VIEW
87
12b
13
14e
1
2
4
5
6
7
8
9
10
11
12a
15
16
17
20
21
22
23
24
25
26
27
28
29
30
31
32
33
34
35
36
38
39
40
42
41
43
44
45
46
47
48
50
51
52
53
53
58
56
57
59
60
61
14a
14b
14c
14d
62
10TUE40X00
E40_manual_090605.indd 86 6/5/2009 2:32:55 PM

Related product manuals