EasyManua.ls Logo

turbofan e31D4 - Electrical Schematics

Default Icon
20 pages
Print Icon
To Next Page IconTo Next Page
To Next Page IconTo Next Page
To Previous Page IconTo Previous Page
To Previous Page IconTo Previous Page
Loading...
Electrical Schematics
14
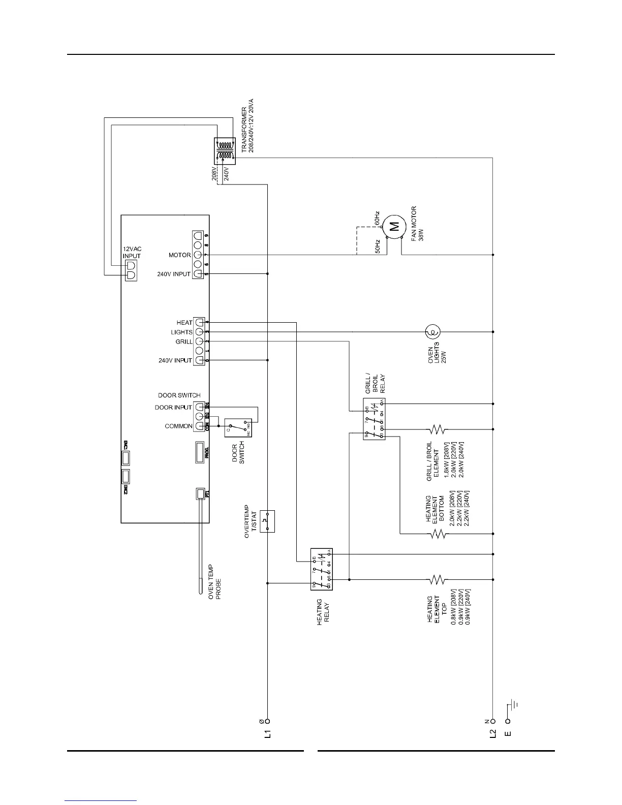
Electrical Schematic E31D4 Turbofan Oven

Related product manuals