EasyManua.ls Logo

Tylo 1105-1202 - Single Phase Wiring Diagram Heater Models Diagram

Tylo 1105-1202
15 pages
Print Icon
To Next Page IconTo Next Page
To Next Page IconTo Next Page
To Previous Page IconTo Previous Page
To Previous Page IconTo Previous Page
Loading...
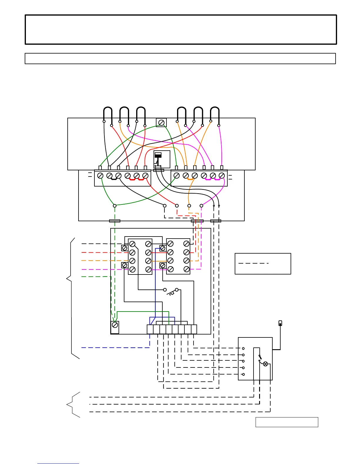
4211-83-G 09-29-16 7014024 314 SKLE 70 H
INSTALLATION AND OPERATING INSTRUCTIONS
Page 9
DIAGRAM 6
354 SKLE 25 E
SINGLE PHASE WIRING DIAGRAM HEATER MODELS:
Pro 10.5, 12.0 & 14.4 Model Number: 1105-105, 1105-120 & 1105-140
Laava 10.5, 12.0 & 14.4 Model Number: 1105-1052, 1105-1202 & 1105-1402
1 2 3 4 5 6
LIMIT
CONTROL
T4 T3 T2 T1
GR
1 PHASE HEATER
JUNCTION BOX
208V or 240V
1-phase
GR T1 T2 T3 T4 1 2
Gr
Sensor
Circuit 1
Power Input
12
11
10
N
N
1 2
Gr
N 10 11 12
N
L1
L2
L1
L2
Circuit 2
T4 T3 T2 T1
(Re-set Fuse)
II
I
1 2 3 4 5 6 1 2 3 4 5 6
1 PHASE HEATER WIRING
COMPARTMENT
Field
Wiring
1
2
N
Control Panel
(Model #)
SC 9 (19-8-1517)
SC 60 (19-8-1817)
SC Club (19-8-17)
CONTACTOR BOX
CB 7-1 (Model # 1201-7-1)
Light Switch
1 - light power in
2 - light power out
N - neutral
GR

Related product manuals