EasyManua.ls Logo

TYM T264 - Page 113

TYM T264
215 pages
Print Icon
To Next Page IconTo Next Page
To Next Page IconTo Next Page
To Previous Page IconTo Previous Page
To Previous Page IconTo Previous Page
Loading...
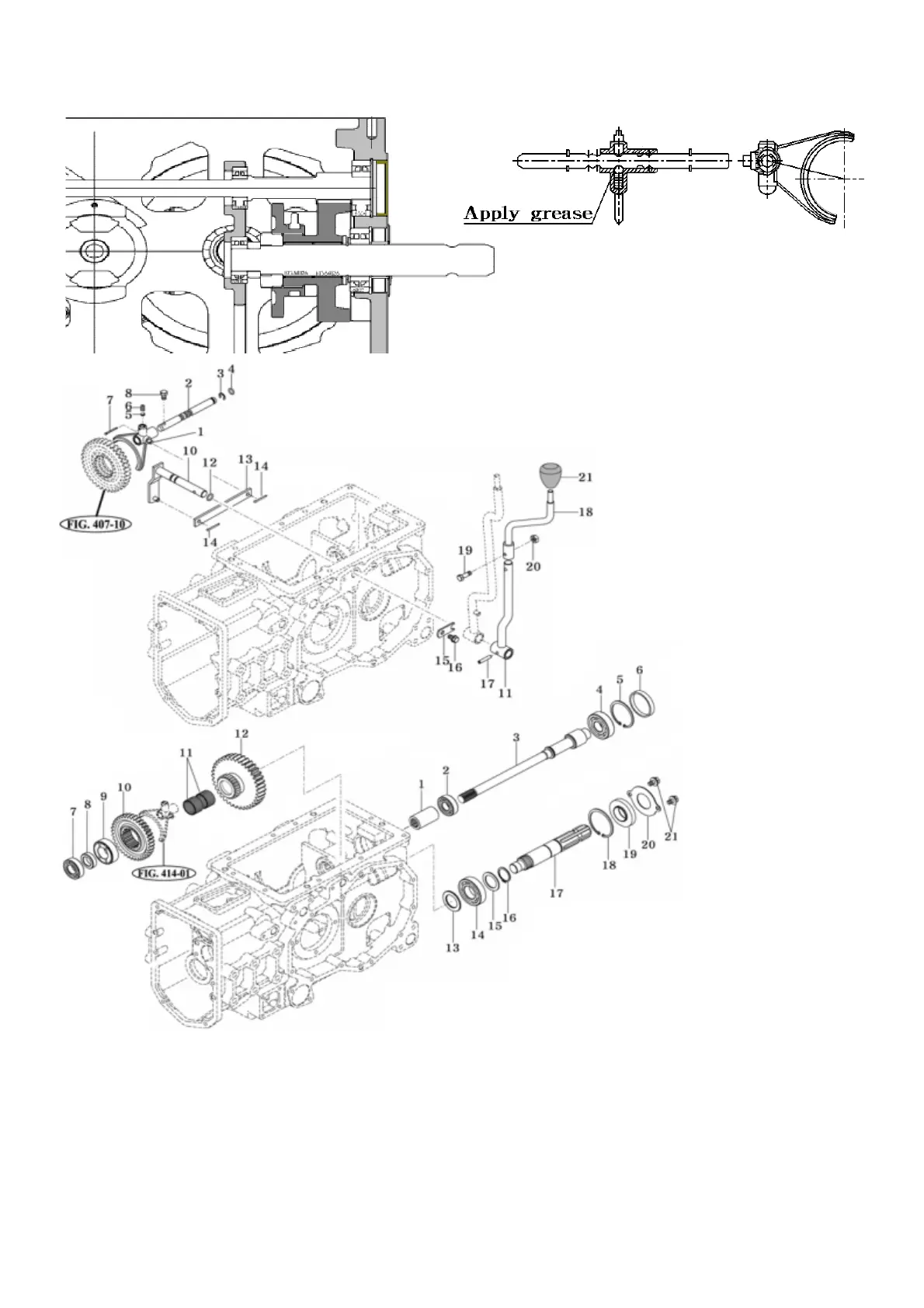
(4) Rear PTO mechanism
Fig.5-44 PTO gears
Fig.5-43 PTO lever, stay
1.COUPLING 2.BEARING , BALL 3.SHAFT , PTO COUNTER 4.BEARING , BALL
5.C-RING , HOLE 6.SEAL , 62 7.BEARING , BALL 8.COLLAR ,25X40X12
9. HUB , 35X62X20 10.GEAR , SPUR 41T 11.BEARING , NEEDLE.ROLLER
12. GEAR , SPUR 53T 13.WASHER , 35X55X3 14.BEARING , BALL 15.COLLAR , 35X50X2
16.C-RING , SHAFT 17.SHAFT , PTO 18.C-RING , HOLE 19.SEAL ASSY , OIL
20.COVER 21. BOLT , HEX/SP
7.PIN , SPLIT
8.BOLT , SET M8X16
9.ARM SET , PTO
10.ARM COMP , PTO
11.LEVER COMP , PTO(LOW)
12.O-RING , P
13.PLATE , CHANGE
14.PIN , SPLIT
15.PLATE
16.BOLT , HEX/S
17.PIN , SPRING
18.LEVER COMP , PTO(UPR)
19.BOLT , HEX
20.NUT , HEX/2
21.GRIP , LEVER 12
1.FORK , PTO 2.STAY , PTO
3.E-RING 4.O-RING , P
5.BALL , STEEL 6.SPRING , SHIFTER
5-27
Counter shaft
PTO shaft
Fig.5-42

Related product manuals