EasyManua.ls Logo

Ublox NEO-6 - External Active Antenna Supervisor Using ANTON (MAX-6)

Ublox NEO-6
85 pages
Print Icon
To Next Page IconTo Next Page
To Next Page IconTo Next Page
To Previous Page IconTo Previous Page
To Previous Page IconTo Previous Page
Loading...
LEA-6 / NEO-6 / MAX-6 - Hardware Integration Manual
UBX-14054794 Production Information Design-in
Page 51 of 85
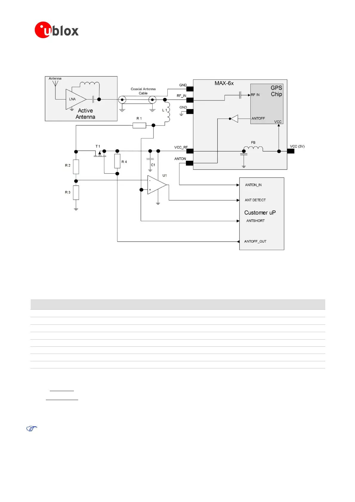
2.6.7 External active antenna supervisor using ANTON (MAX-6)
Figure 52: External active antenna supervisor using ANON (MAX-6)
References
Value
Tolerance
Description
Remarks / Manufacturer
R1
10
5%
Resistor, min 0.25 W
R2
560
5%
Resistor
R3
100 k
5%
Resistor
R4
100 k
5%
Resistor
U1
LT6000
Rail to Rail Op Amp
Linear Technology
T1
Si1016X-T1-E3
Transistor
Vishay
L1
LQG15HS27NJ02
Inductor
muRata
C1
X5R 100N 10V
10%
Decoupling Capacitor
muRata
Table 23: Active antenna supervisor, bill of material
RFVcc
R
RR
R
I _
1
32
2
Equation 3: Calculation of threshold current for open circuit detection
State diagram of active antenna supervisor see Figure 45. When using an external LNA in PSM on / off
mode, pin 17 can be programmed as ANTOFF (see section 1.7.7). Use ANTOFF_IN and ANTOFF_OUT
signals to command antenna power supply when going into Power Save Mode (Backup mode).

Table of Contents

Related product manuals