EasyManua.ls Logo

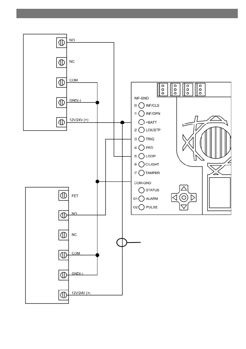
Ultima RT25/50 - External Radio Receiver & Loop Detector

Ultima RT25/50
52 pages
Print Icon
To Next Page IconTo Next Page
To Next Page IconTo Next Page
To Previous Page IconTo Previous Page
To Previous Page IconTo Previous Page
Loading...







Related product manuals