EasyManua.ls Logo

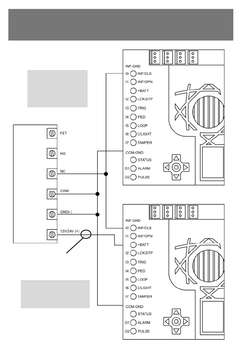
Ultima RT25/50 - Two Synchronised Operators Connected to One Set of Safety Beams

Ultima RT25/50
52 pages
Print Icon
To Next Page IconTo Next Page
To Next Page IconTo Next Page
To Previous Page IconTo Previous Page
To Previous Page IconTo Previous Page
Loading...

















Related product manuals