EasyManua.ls Logo

Ultra Optics Mini2 - Coating Application

Ultra Optics Mini2
26 pages
Print Icon
To Next Page IconTo Next Page
To Next Page IconTo Next Page
To Previous Page IconTo Previous Page
To Previous Page IconTo Previous Page
Loading...
www.ultraoptics.com page 5
Figure 4 - Drying system schematic
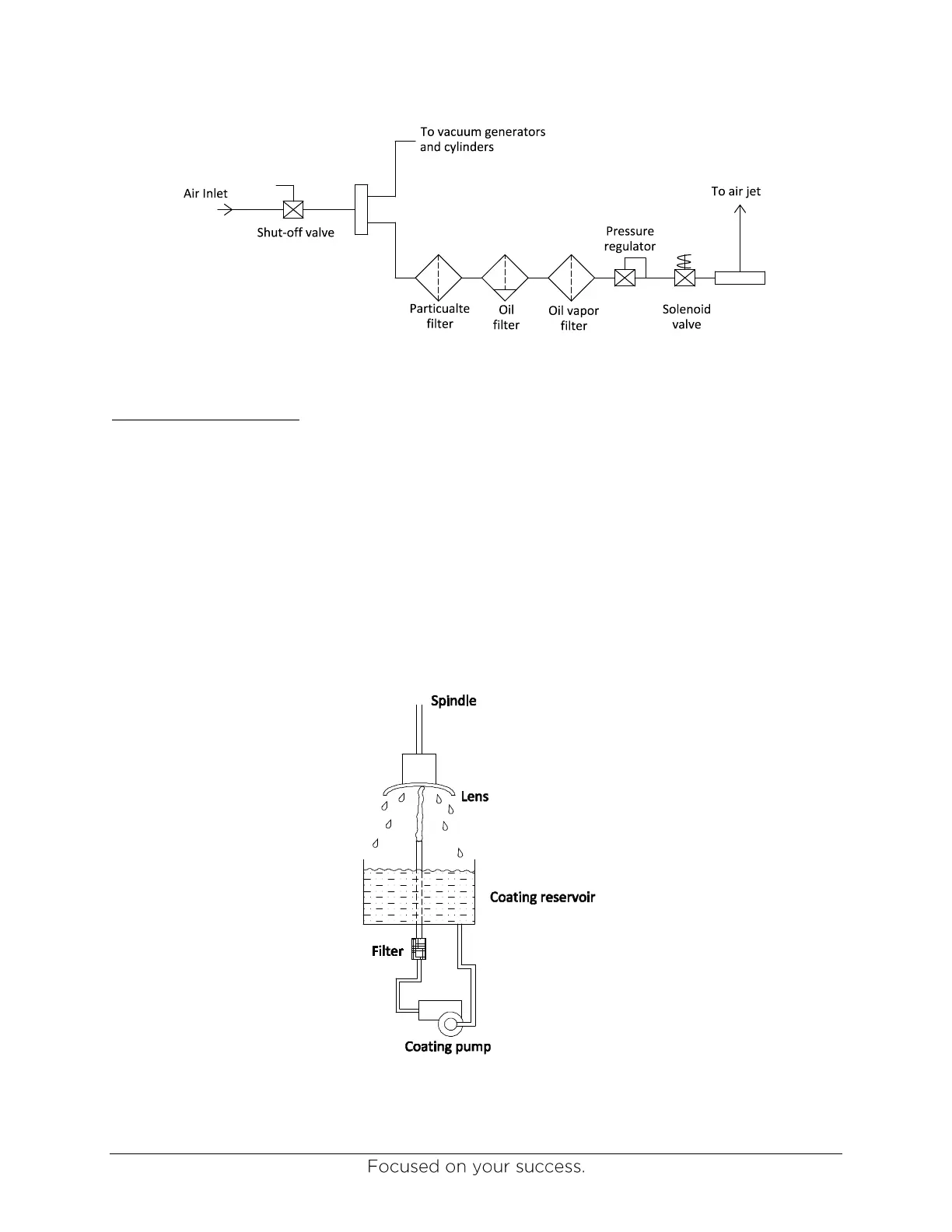
Coating application
After the lens is washed and dried, the arm and spindle assembly will lift and swing over to the
coating application station. With the lens down in the coating application station, the coating
pump draws coating material from the reservoir and pumps it through a filter, up to the surface
of the lens. The lens is being spun during the time of application to ensure a sufficient amount
of coating is applied to the entire surface. After the coating has been applied, the pump will stop
and the spin speed of the lens changes to a new value which will generate the proper film
thickness of coating, based upon the specific coating being used. The timing and spin speeds
are controlled by the system PLC. This process is shown schematically in the following
diagram.
Figure 5 - Coating system schematic

Related product manuals