EasyManua.ls Logo

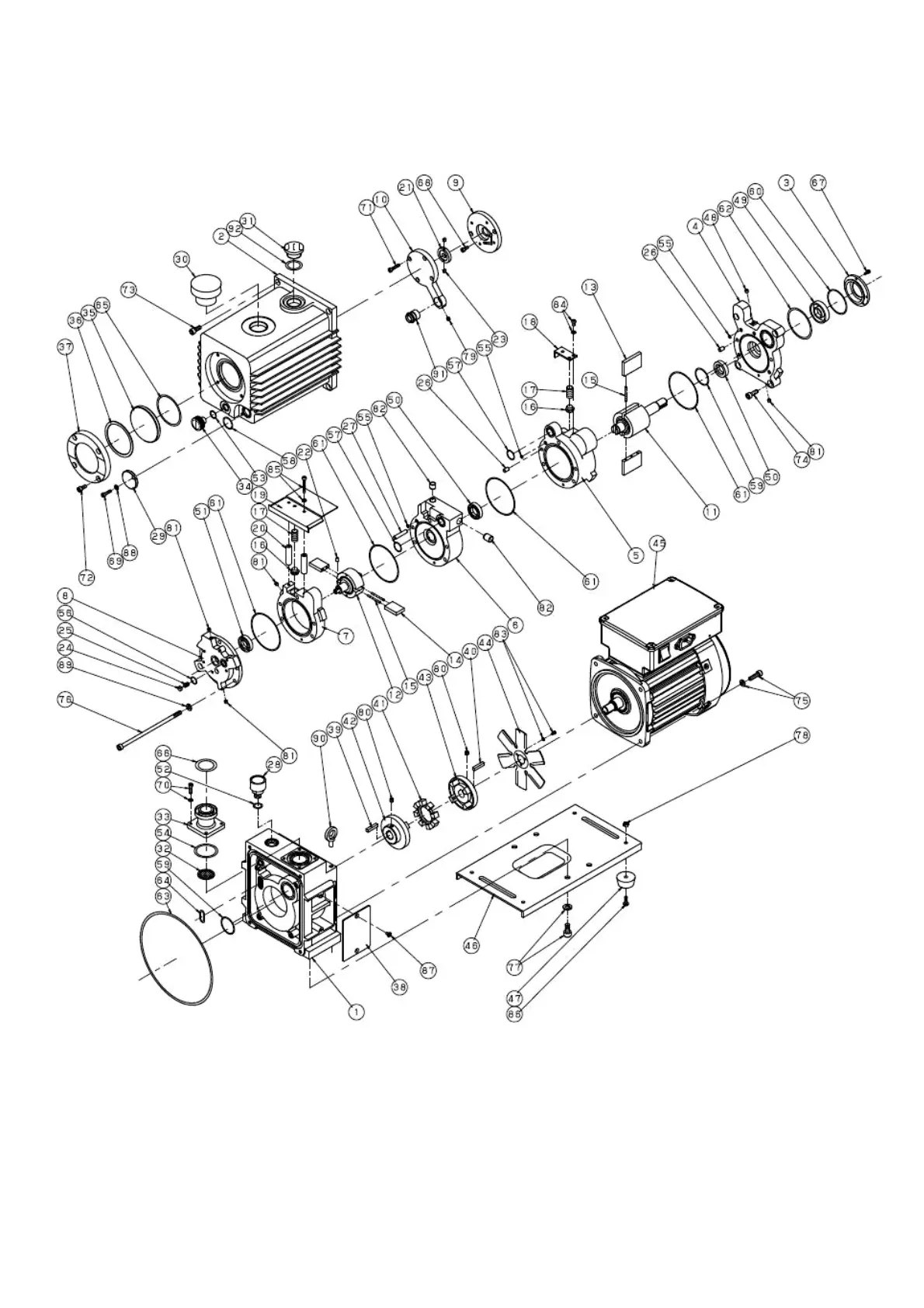
Ulvac GLD-040 - Disassembly Drawing; Fig. 12 Disassembly Drawing of GLD-137 CC Oil Sealed Rotary Vacuum Pump

Ulvac GLD-040
54 pages
Print Icon
To Next Page IconTo Next Page
To Next Page IconTo Next Page
To Previous Page IconTo Previous Page
To Previous Page IconTo Previous Page
Loading...
-30-
8.2 Disassembly drawing
Fig. 12 Disassembly drawing of GLD-137CC oil sealed rotary vacuum pump

Table of Contents

Related product manuals