EasyManua.ls Logo

Universal Laser Systems VLS3.50 - Example Connection for PNP Mode; Example Connection for NPN Mode

Universal Laser Systems VLS3.50
99 pages
Print Icon
To Next Page IconTo Next Page
To Next Page IconTo Next Page
To Previous Page IconTo Previous Page
To Previous Page IconTo Previous Page
Loading...
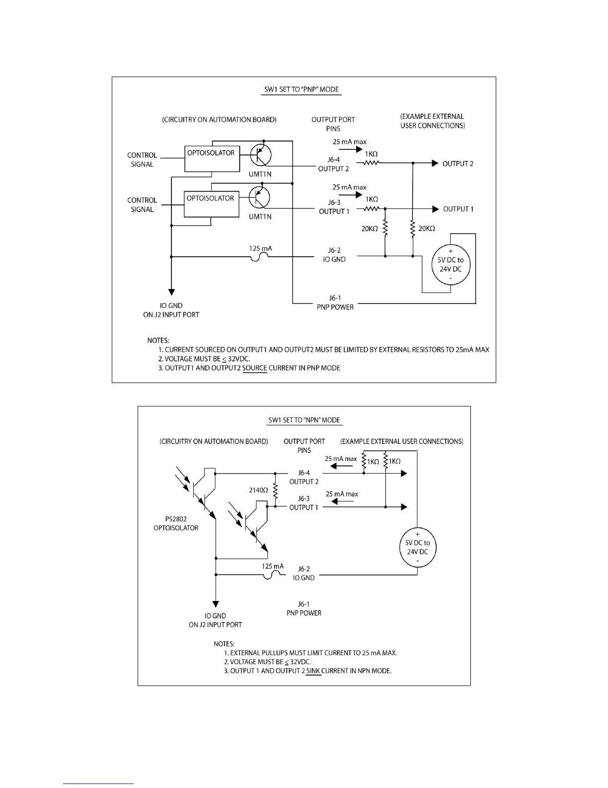
Example Connection for PNP mode
Example Connection for NPN mode
80

Table of Contents

Other manuals for Universal Laser Systems VLS3.50

Related product manuals