EasyManua.ls Logo

Universal M-35B - DC ELECTRICAL SYSTEM WIRING SCHEMATIC #39144

Default Icon
54 pages
Print Icon
To Next Page IconTo Next Page
To Next Page IconTo Next Page
To Previous Page IconTo Previous Page
To Previous Page IconTo Previous Page
Loading...
DC
ELECTRICAL
SYSTEM
WIRING
SCHEMATIC
#39144
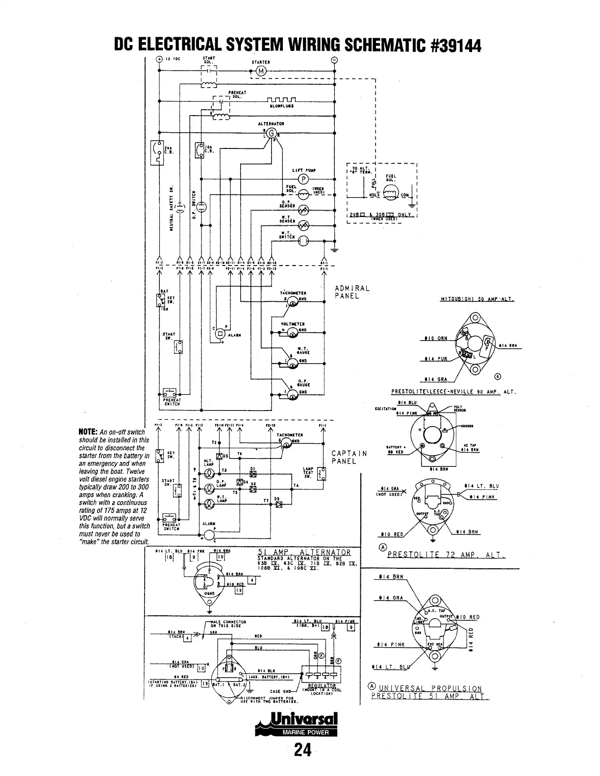
NOTE:
An
on-off
switch
should
be
installed
in
this
circuit
to
disconnect
the
starter
from
the
battery
in
an
emergency
and
when
leaving
the
boat.
Twelve
volt
diesel
engine
starters
typically
draw
200
to
300
amps
when
cranking.
A
switch
with
a
continuous
rating
of
175
amps
at
12
VDC
will
normally
serve
this
function,
but
a
switch
must
never
be
used
to
+
IZ
VDC
IAT
KET
...
I 0
Pl-l
PREHEAT
SWITCH
ITAITEit
LIFT
PUMP
FUlL
CWIIll
r-+-+-1-----
...
·~:.e-·.!•1!1-
O.P.
IUDtl
LAlOP
TUT
...
ADMIRAL
PANEL
CAPTAIN
PANEL
HITSUBISHI
50
AMP
'ALT
114 LT.
BLU
114
PI
IlK
"make"
the
starter
circw~"t.-------------=-:--.,-::--..,.--=~.,...,..,~.,..--1
51
AMP
ALTERNATOR
STANDARD
ALTERNATOR
ON
THE
~PRESTOLITE
72
AMP
ALI
me~.
'lc
I
Hd:l:~
Dr.
8ZB
Dr.
1--------------------
24
114
BRN
114
GRA
114
PINK
114
LT.
BL
~UNIVERSAL
PROPULSION
PRESTOL
I IE
51
AMP
ALI

Related product manuals