EasyManua.ls Logo

urmet domus Audio Two - Page 12

urmet domus Audio Two
24 pages
Print Icon
To Next Page IconTo Next Page
To Next Page IconTo Next Page
To Previous Page IconTo Previous Page
To Previous Page IconTo Previous Page
Loading...
12
−−−−
sec.5
ONE-FAMILY AND TWO-FAMILY KITS
DOOR PHONE AND VIDEO DOOR PHONE SYSTEM: Product Technical Manual
A
)
B)
12V~
C)
012
~~~~
S2
S1
15
14
S3
S6
S4
CA
S5
C
6
0~
A
A
CA
L
L
Y1
R1
Y2
S3
S2
12~
2
S1
S6
S4
CA
S5
C
6
0~
0
12
~~~~
A
A
CA
L
L
2
AP
R1
1
V3 AI
+M
A
A
CA
L
L
2
AP
R1
1
V3 AI
+M
FROM SYSTEM
RINGER
Ref.9854/41
BASIC
VIDEO DOOR PHONE
FROM SYSTEM
FROM SYSTEM
RELAY
BOX
Ref.788/52
RELAY
BOX
Ref.788/52
RINGER
BASIC
VIDEO DOOR PHONE
BASIC
VIDEO DOOR PHONE
TRANSFORMER
Ref.9000/230
LINE
~
TRANSFORMER
Ref.9000/230
LINE
~
SECONDARY
ELECTRIC
LOCK
SV102-3217B
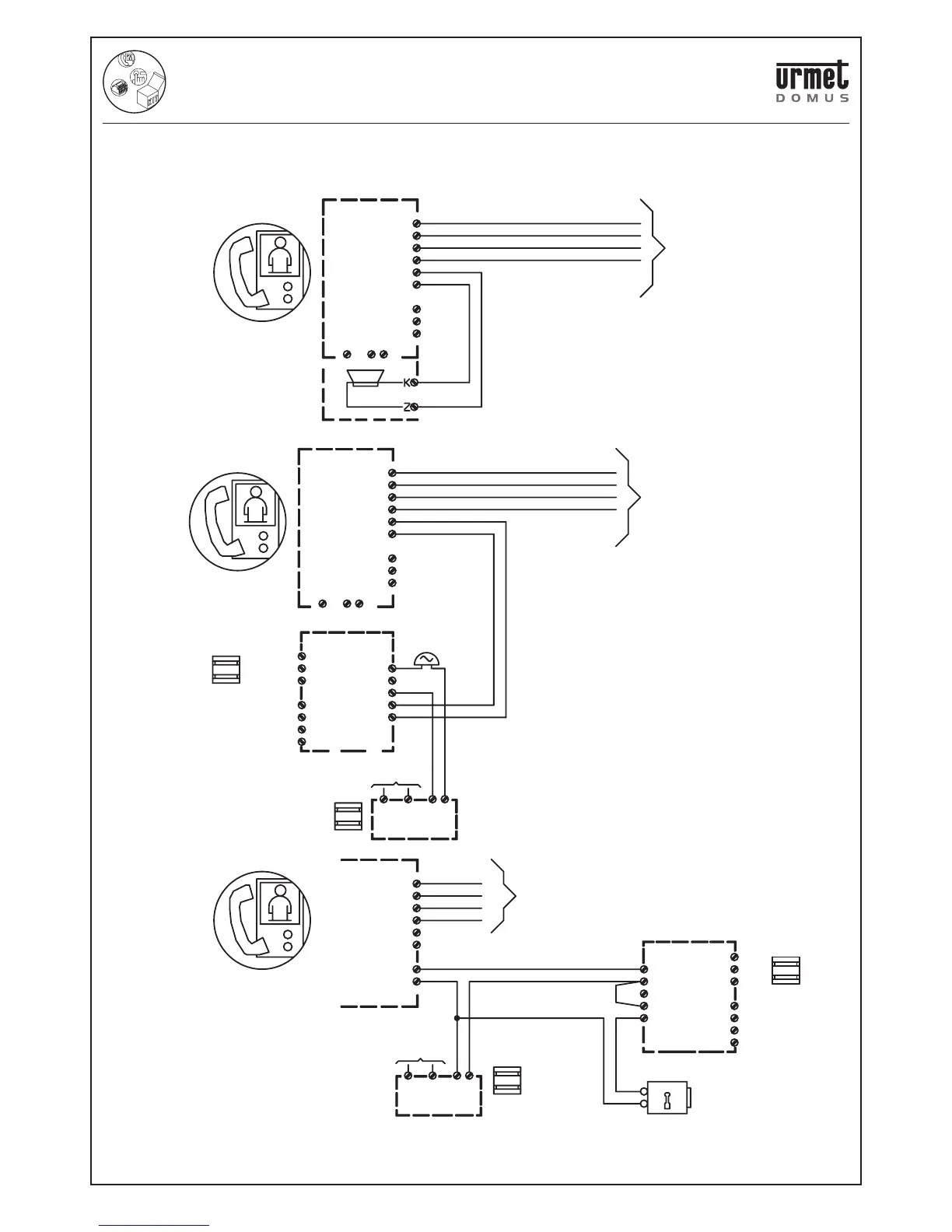
A) Supplementary ringer Ref. 9854/41 Connection in parallel to 1 video door phone call
B) Call repeater relay connection for controlling a supplementary ringer
C) Connection of a secondary electrical lock
2-WIRE ONE FAMILY VIDEO KIT