EasyManua.ls Logo

Vacon CXS - Control Signal Logic

Vacon CXS
70 pages
Print Icon
To Next Page IconTo Next Page
To Next Page IconTo Next Page
To Previous Page IconTo Previous Page
To Previous Page IconTo Previous Page
Loading...
Vacon Plc Phone: +358-201 2121 Fax:+358-201 212 205
Service: +358-40-8371 150 E-mail: vacon@vacon.com
Page 4 Vacon
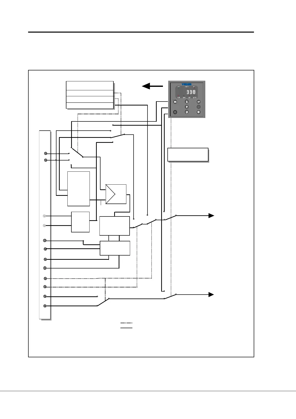
Pump and fan control with autochange
The logic of I/O-control signals and push button signals from the panel are presented in the figure
3-1.
3 Control signal logic
Figure 3-1 Control signal logic of the Pump and fan control Application.
Switch positions shown correspond to the factory settings.
U
in
+
I
in
DIB5
DIA2
DIB6
DIA3
DIA1
P
P
DIB4
P
I
DIA3
DIA2
pfcauto.fh3
RST
PG
RO1
RO2
Internal
frequency
reference
Internal
Start/Stop
=
control line
=
signal line
Down
PROGRAMMABLE
PUSH-BUTTON 2
Motorised
potentio-
meter
reference
Autochange 2
PARAMETERS
2
.
26 Source B ref. select.
2
.
15 Source A ref. select.
4
.
12 Jogging speed ref.
PI-controller
Reference,
Source A
Freq. ref.,
Source B
Actual
value
Up
Actual value
selection
S tart/Stop, source A
Start/S top, source B
Jogging speed s
(Programmable)
Calculation of
freq. re f. and
control logic of
auxiliary drives
Interlock 1
Interlock 2
Autochange
logic
Source A/B select.
Autochange 1

Other manuals for Vacon CXS

Related product manuals