EasyManua.ls Logo

Vaillant VR 61 - Hydraulic Drawing 1; Hydraulic Drawing; An Uncontrolled Heating Circuit; A Controlled Heating Circuit (Controlled 3 Way Valve)

Vaillant VR 61
25 pages
Print Icon
To Next Page IconTo Next Page
To Next Page IconTo Next Page
To Previous Page IconTo Previous Page
To Previous Page IconTo Previous Page
Loading...
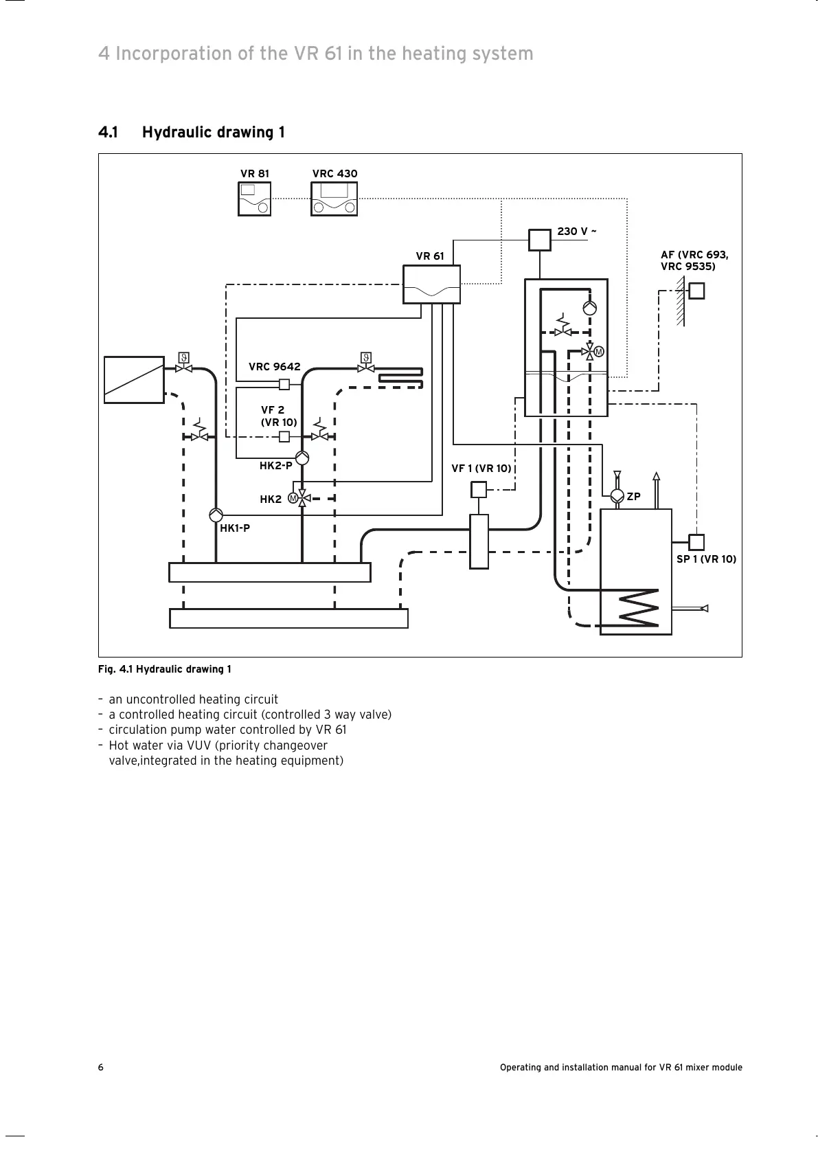
4.1 Hydraulic drawing 1
Fig. 4.1 Hydraulic drawing 1
– an uncontrolled heating circuit
a controlled heating circuit (controlled 3 way valve)
circulation pump water controlled by VR 61
Hot water via VUV (priority changeover
valve,integrated in the heating equipment)
4 Incorporation of the VR 61 in the heating system
Operating and installation manual for VR 61 mixer module6
VR 61
VRC 430VR 81
AF (VRC 693,
VRC 9535)
VF 1 (VR 10)
SP 1 (VR 10)
VF 2
(VR 10)
VRC 9642
HK1-P
HK2-P
HK2
230 V ~
ZP
All manuals and user guides at all-guides.com

Table of Contents