EasyManua.ls Logo

Vaillant VR 61 - Hydraulic Drawing 2; An Uncontrolled Heating Circuit; A Controlled Heating Circuit (Controlled 3 Way Valve); Circulation Pump for Hot Water Controlled by VR

Vaillant VR 61
25 pages
Print Icon
To Next Page IconTo Next Page
To Next Page IconTo Next Page
To Previous Page IconTo Previous Page
To Previous Page IconTo Previous Page
Loading...
7Operating and installation manual for VR 61 mixer module
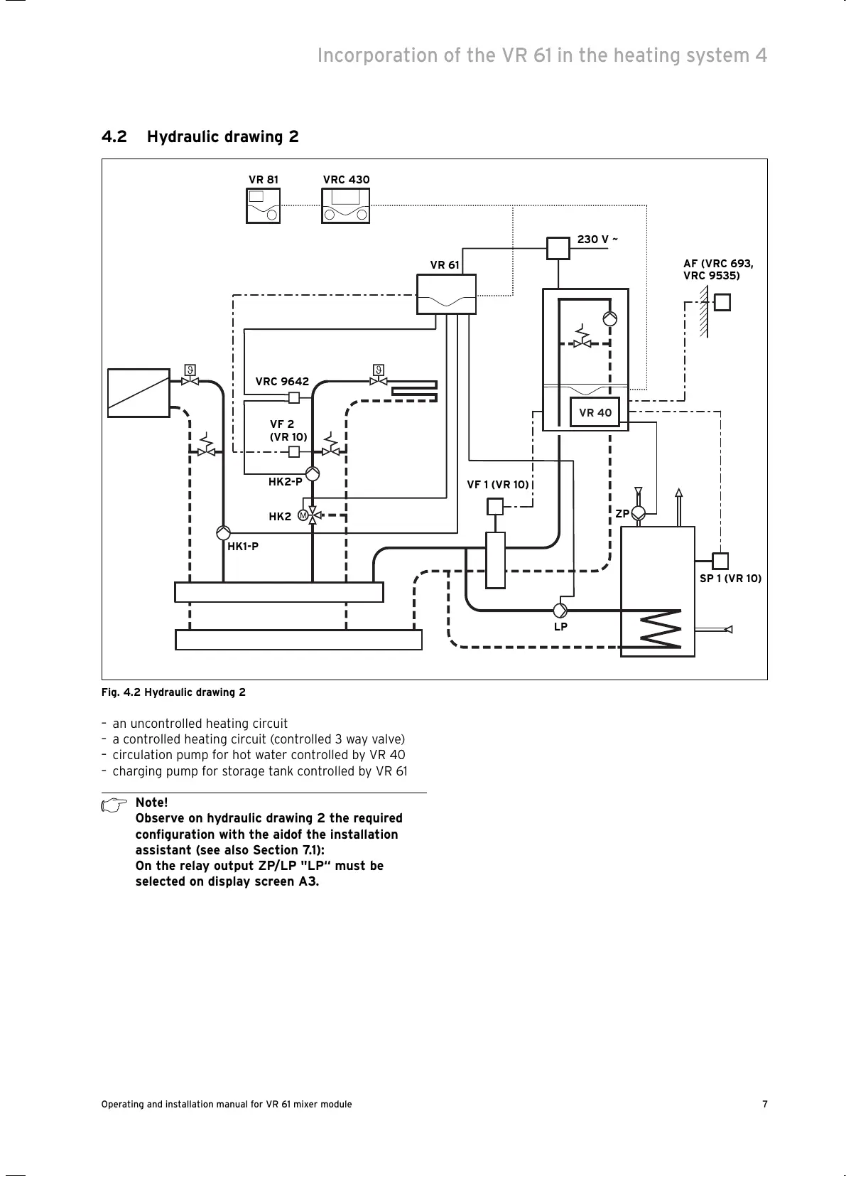
4.2 Hydraulic drawing 2
Fig. 4.2 Hydraulic drawing 2
an uncontrolled heating circuit
a controlled heating circuit (controlled 3 way valve)
circulation pump for hot water controlled by VR 40
charging pump for storage tank controlled by VR 61
h
Note!
Observe on hydraulic drawing 2 the required
configuration with the aidof the installation
assistant (see also Section 7.1):
On the relay output ZP/LP "LP“ must be
selected on display screen A3.
Incorporation of the VR 61 in the heating system 4
VR 61
VRC 430VR 81
AF (VRC 693,
VRC 9535)
VF 1 (VR 10)
SP 1 (VR 10)
VF 2
(VR 10)
VRC 9642
HK1-P
HK2-P
HK2
230 V ~
ZP
LP
VR 40
All manuals and user guides at all-guides.com

Table of Contents