EasyManua.ls Logo

Vaillant VR 61 - Hydraulic Drawing 3; An Uncontrolled Heating Circuit - a Controlled Heating Circuit (Controlled 3 Way Valve); Circulation Pump for Hot Water Controlled by VR; Charging Pump for Storage Tank Controlled by Heating Equipment

Vaillant VR 61
25 pages
Print Icon
To Next Page IconTo Next Page
To Next Page IconTo Next Page
To Previous Page IconTo Previous Page
To Previous Page IconTo Previous Page
Loading...
Operating and installation manual for VR 61 mixer module8
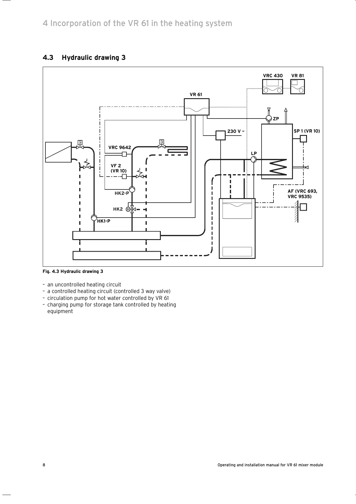
4.3 Hydraulic drawing 3
Fig. 4.3 Hydraulic drawing 3
– an uncontrolled heating circuit
a controlled heating circuit (controlled 3 way valve)
circulation pump for hot water controlled by VR 61
charging pump for storage tank controlled by heating
equipment
VRC 430 VR 81
HK1-P
230 V ~
LP
VR 61
ZP
AF (VRC 693,
VRC 9535)
SP 1 (VR 10)
VF 2
(VR 10)
VRC 9642
HK2-P
HK2
4 Incorporation of the VR 61 in the heating system
All manuals and user guides at all-guides.com

Table of Contents