EasyManua.ls Logo

Valeo CC 355 - Electrical System Wiring Diagrams; SBU400;410 Controller Wiring

Valeo CC 355
23 pages
Print Icon
To Next Page IconTo Next Page
To Next Page IconTo Next Page
To Previous Page IconTo Previous Page
To Previous Page IconTo Previous Page
Loading...
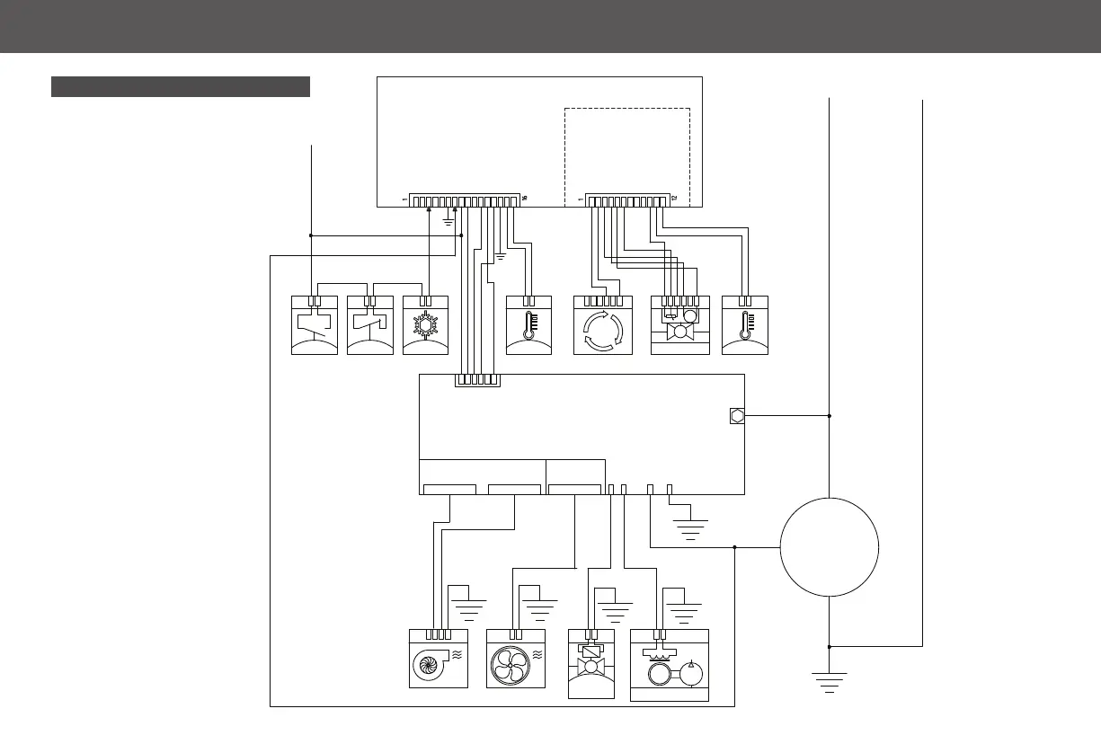
ELECTRICAL SYSTEM
CC 305 - CC 335 - CC 355
3- SBU400/410 Controller
SBU 400/410
CLUTCH
SOLENOID
VALVE
D+
TEMPTEMPPAPM ICEPBPM
Alternator
B+
B-
WATER VALVE
M
+ 30
GND
+ 15
Relay board for single platform application
SBF2XX
Fan L Fan H
Condenser
Up to 6 fans
Up to 4 fans
Power supply
VDC (M8)
Low / High Pressure / Freezing Thermostat
N.C.
N.C.
N.C.
N.C.
GND
GND
Duct Temperature
Duct Temperature
Fresh Air A
Fresh Air B
GND Water Valve
Water Valve A
Water Valve +5Vcc
Water Valve B
Water Valve Power
Floor Convector
Water bomb (-)
VCC (+15)
Convector
Alternator Signal (D+)
Condenser
Radial Fan S2
Radial Fan S1
Clutch
Internal Temperature
Internal Temperature
Fan LS
Solenoid valve
Clutch
Alternator D+
GND RB
Fan HS
Condenser
+15
+15
Condenser/Clutch
GND (Relay Board)
For output configuration,
see SBF 2xx documentation
SC410 Only with Air Renewal and / or Heating
20

Related product manuals