EasyManua.ls Logo

Valeo CC 450 - Electrical System Wiring; SBU400;410 Controller Wiring Diagram

Valeo CC 450
24 pages
Print Icon
To Next Page IconTo Next Page
To Next Page IconTo Next Page
To Previous Page IconTo Previous Page
To Previous Page IconTo Previous Page
Loading...
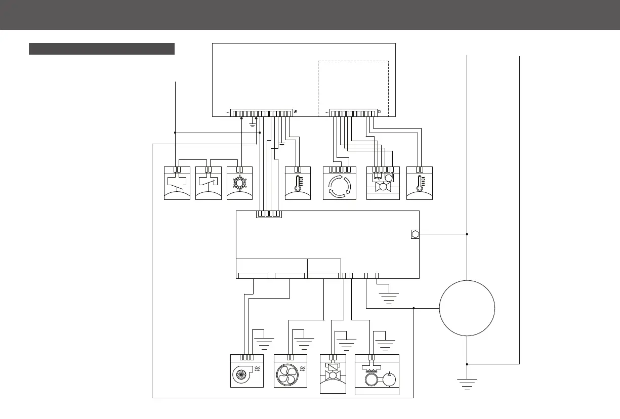
ELECTRICAL SYSTEM
CC 305 - CC 335 - CC 355
3- Controller SBU400/410
SBU 400/410
CLUTCH
SOLENOID
VALVE
D+
TEMPTEMPPAPM ICEPBPM
Alternator
B+
B-
WATER VALVE
M
+ 30
GND
+ 15
Relay board for unique platform application
SBF2XX
Fan LS Fan HS
Condenser
Up to 6 fans
Up to 4 fans
Power source
VDC (M8)
Low / High Pressure / Thermostat freezing
N.C.
N.C.
N.C.
N.C.
GND
GND
Duct Temperature
Duct Temperature
Fresh Air A
Fresh Air B
GND Water Valve
Water Valve A
Water Valve +5Vcc
Water Valve B
Water Valve Pot.
Floor Convector
Water Pump (-)
VCC (+15)
Convector
Alternator Signal (D+)
Condenser
Radial S2 Fan
Radial S1 Fan
Clutch
Inner Temperature
Inner Temperature
Fan LS
Solenoid valve
Clutch
Alternator D+
GND RB
Fan HS
Condenser
+15
+15
Condenser/Clutch
GND (Relay Board)
In order to check the
output configuration,
see SBF2xx
SC410 Only with Air Renewal and / or Heating
21

Related product manuals