EasyManua.ls Logo

Valtra 6250 - Page 1065

Valtra 6250
1361 pages
Print Icon
To Next Page IconTo Next Page
To Next Page IconTo Next Page
To Previous Page IconTo Previous Page
To Previous Page IconTo Previous Page
Loading...
1008
Model Code Page
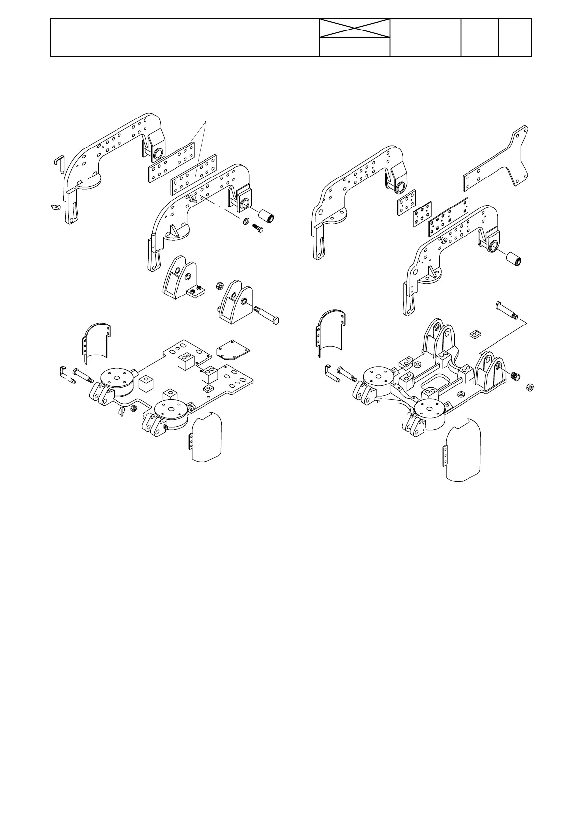
66. Air suspension of front axle
1. 8. 2000
660 66200--8950
1. 11. 1998
C. Frame parts
Factory thickness 10
mm and 30 mm.
6 --- c y l .
The upper frame parts have been fastened onto the sides
oftheengineoilsump.Betweentheupperframesandthe
oil sump there are spacer plat es. Thickness of the plat es
depends o n the front mounted implements ( the factory
thickness o f the plates are 10 and 30 mm).
Both upper frame parts are fastened with eight bolts
(M20x75 8.8, 380 Nm). In connection with the 6---cylinder
engines the joint brackets of the frame parts ar e fastened
with bolts and if the frame parts must be changed, possible
dimension deviations can be compensated by adjusting the
joint brackets. In connection with 4---cyl. engines the joint
bracket have been casted on the lo wer frame The pins
have rubber bushings.
Note! Onthesideoftherubberbellowstherearepro-
tective coverings. In addition, at the propeller shaft
front joint there is a removable shield.
4 --- c y l .

Table of Contents

Related product manuals