EasyManua.ls Logo

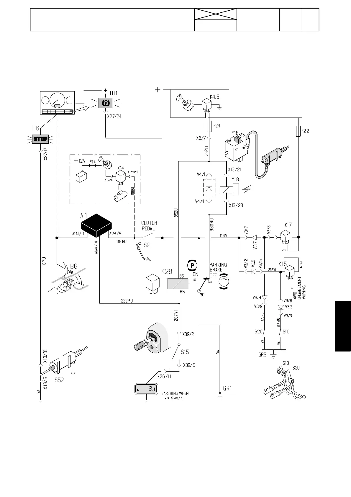
Valtra 6250 - Control of Parking Brake and Engine Starting

Valtra 6250
1361 pages
Print Icon
To Next Page IconTo Next Page
To Next Page IconTo Next Page
To Previous Page IconTo Previous Page
To Previous Page IconTo Previous Page
Loading...
499
Model Code Page
37. Autocontrol 5
1. 8. 2000
370 31
6250--8950
1. 10. 1999
Control of parking brake and engine starting, ---J38342, AC 5

Table of Contents

Related product manuals