EasyManua.ls Logo

Valtra 6250 - Page 1267

Valtra 6250
1361 pages
Print Icon
To Next Page IconTo Next Page
To Next Page IconTo Next Page
To Previous Page IconTo Previous Page
To Previous Page IconTo Previous Page
Loading...
1210
Malli Koodi Sivu
90. Hydrauliikka
1. 11. 2000
6250--8950
910 7C
1. 11. 1998
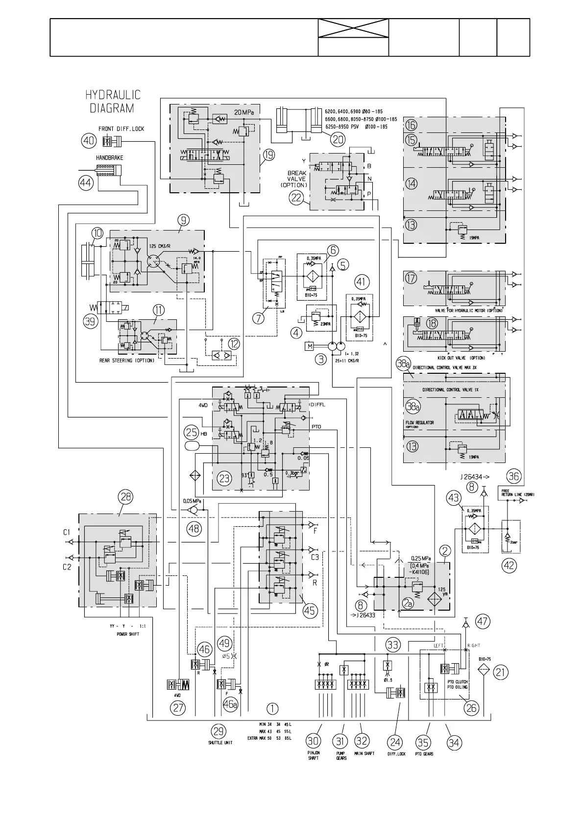
Hydraulic diagram, HiTech tractors

Table of Contents

Related product manuals